Why negative feedback is employed in wein bridge oscillator, Electrical Engineering

Assignment Help:

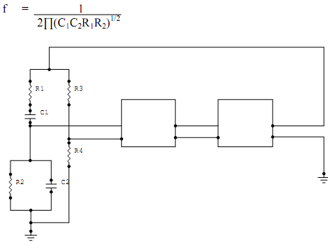
Q. Why negative feedback is employed in Wein Bridge Oscillator. Also explain the working of oscillator?

The Wein Bridge Oscillator consists of two stages of the RC coupled amplifier and a feedback network. The block diagram given in figure explain the principle of working of this oscillator. Here the two blocks are A1 and A2. These two represents two amplifier stages. The output of the second stage goes to the feedback network. The voltage across the parallel combination C2R2 is fed to the input of the first stage. First amplifier stages produce 1800 phase shift and the second amplifier also provides 1800 phase shift. Total phase shift is 3600 Therefore it is evident that for the oscillation to be maintained, the phase shift through the coupling network must be zero. It can be shown that this condition occurs at a frequency given by

1355_Why negative feedback is employed in Wein Bridge Oscillator.png


Related Discussions:- Why negative feedback is employed in wein bridge oscillator

Static v- i characteristics, Static V- I Characteristics The  static V-...

Static V- I Characteristics The  static V- I  characteristics of power diodes is shown  in figure 1.2  when the  anode is made  positive with  respect to cathode the power  dio

For combined load calculate real power and reactive power, Q. A 6.6-kV line...

Q. A 6.6-kV line feeds two loads connected in parallel. Load A draws 100 kW at 0.6 lagging power factor, and load B absorbs 100 kVA at 0.8 lagging power factor. (a) For the comb

Explain time-dependent circuit analysis, Q. Explain Time-Dependent Circuit ...

Q. Explain Time-Dependent Circuit Analysis? The response of networks to time-varying sources is considered in this chapter. The special case of sinusoidal signals is of particu

What is meant by biasing transistor, Q. What is meant by biasing transistor...

Q. What is meant by biasing transistor? The purpose of dc biasing of transistor is to obtain a certain dc collector current at a certain dc collector voltage. These values of c

Assignment question , An audio amplifier with feedback needs gain of approx...

An audio amplifier with feedback needs gain of approximately 500 in a 3-dB bandwidth extending from 60 Hz to 25 kHz. Assume this is accomplished using a feedback network with ß=0.0

What is capacitor, What is Capacitor -  A capacitor is an electrical d...

What is Capacitor -  A capacitor is an electrical device that is used to kept electrical energy.   -  The unit of capacitance is Farad. The symbol of capacitance is C.

Write a report on various types of diodes, a. write a report (at least  2 p...

a. write a report (at least  2 pages ) on various types of diodes( Show and explain  the theory, symbol, circuit, characteristics, data sheets and applications circuits using the d

Find the value of noncoherent source, If E b /N 0 = 20 in a coherent ASK s...

If E b /N 0 = 20 in a coherent ASK system, find the value of Eb/N0 that is needed in a noncoherent ASK system to yield the same value of Pe as the coherent system.

Decrement contents of register - dcr decrement , Decrement  contents of Re...

Decrement  contents of Register The contents of register R will be decremented  by one and  the result is stored  in the same register  R. It is also  an exceptional  case i

Explain pnp transistor circuit, Explain pnp transistor circuit . pnp tr...

Explain pnp transistor circuit . pnp transistor: A transistor consist of  three terminals. In this pnp transistor there is two blocks of p- type semiconductors that are separa

Write Your Message!

Captcha
Free Assignment Quote

Assured A++ Grade

Get guaranteed satisfaction & time on delivery in every assignment order you paid with us! We ensure premium quality solution document along with free turntin report!

All rights reserved! Copyrights ©2019-2020 ExpertsMind IT Educational Pvt Ltd