What is the basic working of decoders, Electrical Engineering

Assignment Help:

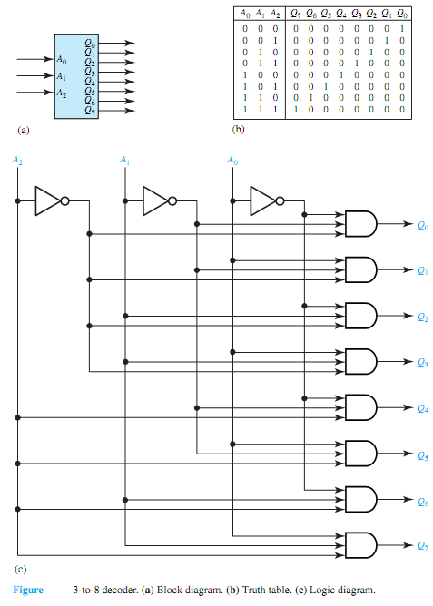
Q. What is the basic working of Decoders?
An n-bit binary code is capable of encoding up to 2n distinct elements of information. A decoder is a combinational network that decodes (converts) the n-bit binary-coded input to m outputs (m ≤ 2n). The block diagram of a 3-bit to 8-element decoder is shown in Figure (a), wherein the three inputs are decoded into eight outputs, one for each combination of the input variables. In the truth table shown in Figure (b), observe that for each in- put combination, there is only one output that is equal to 1 (i.e., each combination selects only one of the eight outputs). The logic diagram of the 3-to-8 decoder is shown in Figure (c).

1155_What is the basic working of Decoders.png

Decoding is so common in digital design that decoders are commercially available as MSI (medium-scale integration) packages in the form of 2-to-4, 3-to-8, and 4-to-10 decoders. Integrated circuits for decoders are available in different forms.


Related Discussions:- What is the basic working of decoders

Show dc generator characteristics, Q. Show DC Generator Characteristics? ...

Q. Show DC Generator Characteristics? Figure shows schematic diagrams of field-circuit connections for dc machines without including commutating pole or compensating windings.

Explain the purposes of modulation and demodulation, Question The diagr...

Question The diagrams below depict a modulation (left) and a demodulation(right). (a) Express y(t), u(t) and z (t). (b) What may happen to the demodulated signal y

Name the 6 modes of operations of an 8253, Name the 6 modes of operations o...

Name the 6 modes of operations of an 8253 programmable interval timer. Mode 0: interrupt on terminal count Mode 1: hardware re -triggerable one-shot Mode 2: rate generato

Find the fourier-series expansion of the pulse train, The rectangular pulse...

The rectangular pulse train of Figure (a) consists of pulses of height A and duration D. Such pulse trains are employed for timing purposes and to represent digital information. Fo

Explain the architecture of ss7, Q. explain the architecture of SS7 and com...

Q. explain the architecture of SS7 and compare with seven-layer OSI architecture. Ans: A block schematic diagram of CCITT no. 7 signalling system is displayed in figure. Sig

Find the voltage regulation and efficiency of the line, Q. A60-Hz, three-ph...

Q. A60-Hz, three-phase transmission line has a total per-phase series impedance of 35+j140 .Ifit delivers 40 MW at 220 kV and 0.9 power factor lagging, find: (a) The voltage, c

Guarding Against Loss in Transformers, Guarding Against Loss in Transformer...

Guarding Against Loss in Transformers Distribution transformers are expected to convert up to 95-98% of the input power into usable output power. A distribution transformers i

Analog computers, Q. Analog Computers? Although not used as much as the...

Q. Analog Computers? Although not used as much as the digital computer (which nowadays forms the basic tool for numerical analysis and the solution of algebraic as well as diff

MATLAB support for fault analysis in transmission lines, The devices in pow...

The devices in power system shown in Figure 2 have the following ratings: G1 : 100 MVA, 13.8 kV grounded Y, X” = 0.15 pu, X2 = 0.015 pu Xo = 0.05 pu G2 : 50 MVA, 20.0 kV grounded

Find how long the bulb can be lighted, Q A12-V, 115-Ah automobile storage b...

Q A12-V, 115-Ah automobile storage battery is used to light a 6-W bulb. Assuming the battery to be a constant-voltage source, find how long the bulb can be lighted before the batte

Write Your Message!

Captcha
Free Assignment Quote

Assured A++ Grade

Get guaranteed satisfaction & time on delivery in every assignment order you paid with us! We ensure premium quality solution document along with free turntin report!

All rights reserved! Copyrights ©2019-2020 ExpertsMind IT Educational Pvt Ltd