What is full-scale loading for load cell, Mechanical Engineering

Assignment Help:

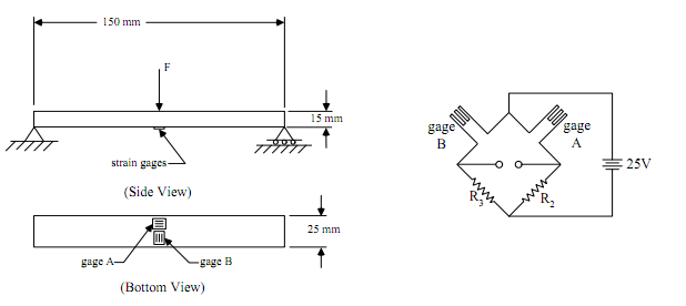
A load cell based on a simply-supported beam with rectangular cross-section is shown below. The beam is made using a tool steel alloy with E = 200 GPa, ν = 0.285. Two strain gages (both with Rg = 120?, Sg = 2.00, Kt = 0.00%, and Pmax = 0.20W) are bonded to the beam and wired into a ½ -bridge Wheatstone circuit as shown. The load cell is designed such that a maximum axial strain of + 3000 µm/m may be induced in the beam.

890_What is full-scale loading for load cell.png

(a) What resistances R2 and R3 should be used to maximize circuit sensitivity?

(b) What is full-scale loading for this load cell?

(c) What is the output of this load cell?

 


Related Discussions:- What is full-scale loading for load cell

Electron beam welding-nuclear applications, NUCLEAR APPLICATIONS OF ELECTRO...

NUCLEAR APPLICATIONS OF ELECTRON BEAM WELDING   Electron beam has been applied to the fabrication of fuel elements for pressurised water reactors and the distinct advantages

Motion of the particle takes place in plane, A particle is acted upon by a ...

A particle is acted upon by a force of constant magnitude which is always perpendicular to the velocity of the particle. The motion of the particle takes place in a plane, then wha

State about the caisson foundations, Caisson foundations Caisson founda...

Caisson foundations Caisson foundations are similar to wells, but are much large in size. They are of different types, closed end, open ended and of pneumatic type. Figure show

High pressure die casting process, what is the working princile of high pre...

what is the working princile of high preesure die casting process

Explain the information phase of radial drilling machine, Information Phase...

Information Phase: Step: To secure all and complete information and gather facts and from best sources.   Our project is selected based on the current problem face by the

Kinematics-dynamics-kinematic link, Kinematics: This is that branch of Th...

Kinematics: This is that branch of Theory of Machines that deals with the relative motion among the several machine parts; without referring forces or torques that cause motion.

Evaluate the gyroscopic couple, The turbine rotor of a ship having a mass o...

The turbine rotor of a ship having a mass of 200Kg moves at 200 r.p.m and its radius of gyration is 0.30 m. If the rotation of the rotor is clockwise looking from the aft., evaluat

Determine reactions of the overhanging beam, Determine reactions of the ove...

Determine reactions of the overhanging beam: Determine r eactions at points A and B of the overhanging beam as shown in the figure given below.

Co2 welding-power source, CO2 WELDING-Power Source Normally, a power so...

CO2 WELDING-Power Source Normally, a power source with constant potential characteristics is used for CO 2 welding as it has the ability to self regulate the welding arc. The

Calculate additional force required to maintain equilibrium, Calculate Addi...

Calculate Additional force required to maintain equilibrium: Fo r the system shown in figure find the additional single force required to maintain equilibrium. Sol.: L

Write Your Message!

Captcha
Free Assignment Quote

Assured A++ Grade

Get guaranteed satisfaction & time on delivery in every assignment order you paid with us! We ensure premium quality solution document along with free turntin report!

All rights reserved! Copyrights ©2019-2020 ExpertsMind IT Educational Pvt Ltd