Shunt dc motor, Electrical Engineering

Assignment Help:

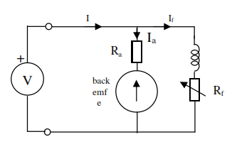
Shunt DC motor

In this arrangement, the armature and field coils are connected in parallel (the motor is called 'shunt connected').

 

1845_shunt DC motor.png

 

Analysis

With reference to the diagram above,

1226_shunt DC motor  1.png

Normally If is a approxmetely constant and Ra is very small (so V>>Ia.Ra).Therefore the motor speed is approximately constant for a given supply voltage, V. The speed may be controlled by reducing the field If  by increasing the field resistor Rf   is reduced and the so Φ speed  increases.

 

  • If  is approximately constant in this motor configuration, determined by the supply voltage and the resistance of the field coils. 
  • Since Ra is very small, V>>Ia.Ra.Hence, although Ichanges significantly with change in motor speed, (and hence also the torque), the motor speed need only change very slightly to cause a large change of armature current and torque produced. This means that the torque can overcome any imposed mechanical load  with very little change of motor speed (so shunt motor has approximately  onstant speed vs load characteristics)
  • Since the armature winding resistance is small, measures must be taken to limit the surge of armature current when it is first
    switched on (i.e. increase the supply slowly to allow the motor to gain speed before full supply voltage is applied). 
  • Methods for controlling the speed are:

    i)    vary the resistance of the field circuit, Rf . Increasing Rf  a increases the speed.

    ii)   change the applied voltage. Increasing V increases the speed.

    iii)  change Ra by means of an extra (small) resistance in the armature circuit. Increasing Ra  reduces the speed.

    iv)  increasing the mechanical load reduces the speed only slightly. (Approx. constant speed vs load characteristics)

    The preferred method of speed control atconstant supply voltage is method (i)because the field current is low compared to the armature current, and a resistance added in series with the field windings results in less power being wasted.

 


Related Discussions:- Shunt dc motor

Zero-bias equilibrium, Zero-Bias Equilibrium In a p-n junction, with n...

Zero-Bias Equilibrium In a p-n junction, with no an external applied voltage, an equilibrium condition is arrived at in which a potential variation is formed across the juncti

Calculate the current flow using thevenin''s theorem, Calculate the curren...

Calculate the current flow in 30Ω resistor for the circuit in figure using Thevenin's Theorem.

Internal frequency compensation of operational amplifier, Q. Internal Frequ...

Q. Internal Frequency Compensation of operational amplifier? Some op amps, such as the 741, have internal RC networks which are intentionally designed to reduce gain at high fr

Microcontroller interfacing, The conveyor system is driven by a 240 Volt 50...

The conveyor system is driven by a 240 Volt 50 Hz AC motor requiring a continuous 1 Amp supply. The conveyor has single direction operation. The loading mechanism for the winder

Major advantages of fet transistors over bjt transistors, Q. What the major...

Q. What the major advantages FET transistors over BJT transistors? a. BJT transistor (bipolar junction transistor) is a bipolar device - the prefix bi-revealing that the conduc

Working of closed cycle and open cycle brayton cycle, Give the layout of a ...

Give the layout of a modern steam power plant and illustrate it briefly. With the help of schematic diagrams illustrate the construction and basic working of closed cycle and op

What do you mean by interference, Q. What do you mean by interference? ...

Q. What do you mean by interference? An information-bearing signal often becomes contaminated by externally generated interference and noise and/or by internally generated nois

How many 500-page books can be stored on a 2400-ft, Q. How many 500-page bo...

Q. How many 500-page books can be stored on a 2400-ft, 1600-BPI magnetic tape if a typewritten page contains about 2500 bytes?

Display the segment on the pic trainer, Aim: The aim of this practical ...

Aim: The aim of this practical is to work with multiplexed 7-segment displays and implement a counter and display the 7- segment on the PIC trainer. Equipment: PIC

Static v- i characteristics, Static V- I Characteristics The  static V-...

Static V- I Characteristics The  static V- I  characteristics of power diodes is shown  in figure 1.2  when the  anode is made  positive with  respect to cathode the power  dio

Write Your Message!

Captcha
Free Assignment Quote

Assured A++ Grade

Get guaranteed satisfaction & time on delivery in every assignment order you paid with us! We ensure premium quality solution document along with free turntin report!

All rights reserved! Copyrights ©2019-2020 ExpertsMind IT Educational Pvt Ltd