Find prime implicants, Mathematics

Assignment Help:

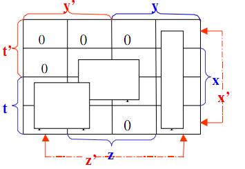
Let E = xy + y't + x'yz' + xy'zt', find

(a)   Prime implicants of E,  (b)  Minimal sum for E. 

Ans:  K -map for following boolean expression is given as:

1208_Find Prime implicants.png

Prime implicant is illustrated as the minimum term which covers maximum number of min terms. In the K-map prime implicant y't covers four (4) min terms. Likewise yz' and xz are other prime implicants. The minimal sum for E is [y't + yz' + xz].


Related Discussions:- Find prime implicants

What is unitary method, Explanation of  Unitary Method Unitary Method k...

Explanation of  Unitary Method Unitary Method keeps of following two steps:-      Step 1 involves find the value of one unit.      Step 2 involves find the value of requi

Determines the first four derivatives of y = cos x, Example    determines t...

Example    determines the first four derivatives for following.                                                                  y = cos x Solution: Again, let's just do so

Fraction, Maria has a slice of pizza that is1/6 the pizza. Ben has a slice ...

Maria has a slice of pizza that is1/6 the pizza. Ben has a slice of pizza that is 1/3 of the pizza . Maria''s slice is bigger .draw pizzas to show how this possible .

Find the volume of a cylinder of radius r, Find the volume of a cylinder of...

Find the volume of a cylinder of radius r and height h. Solution : Here, as we mentioned before starting this illustration we actually don't require using an integral to get t

Fractions, what is 1/3 + 2/9 equal

what is 1/3 + 2/9 equal

Combination, Combination A combination is a group of times whether ord...

Combination A combination is a group of times whether order is not significant. For a combination to hold at any described time it must comprise of the same items however i

Find the larger of two supplementary angles, The larger of two supplementar...

The larger of two supplementary angles exceeds the smaller by 180, find them. (Ans:990,810) Ans:    x + y = 180 0          x - y =  18 0        -----------------

Evaluate integrals (1 - (1 /w) cos (w - ln w) dw, Evaluate following integr...

Evaluate following integrals.                       ( (1 - (1 /w) cos (w - ln w) dw Solution In this case we know how to integrate only a cosine therefore let's makes th

Example of binomial distribution, Example:  Joanne is given a four-question...

Example:  Joanne is given a four-question multiple-choice quiz.  She hasnt studied the material to be quizzed, so she decides to answer the questions by randomly guessing the answe

Variation and proportion, i am not getting what miss has taught us please w...

i am not getting what miss has taught us please will you will help me in my studies

Write Your Message!

Captcha
Free Assignment Quote

Assured A++ Grade

Get guaranteed satisfaction & time on delivery in every assignment order you paid with us! We ensure premium quality solution document along with free turntin report!

All rights reserved! Copyrights ©2019-2020 ExpertsMind IT Educational Pvt Ltd