Determine the value of the weight, Mechanical Engineering

Assignment Help:

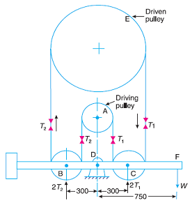
Illustrate with working, construction and measurement of brake power by Belt transmission type brake dynamometers?

The essential features of a transmission dynamometer are shown in Figure, A is the driving pulley which runs at 600 r.p.m.B and C are jockey pulleys mounted on a horizontal beam pivoted at D, about which point the complete beam is balanced when at rest. E is the driven pulley and all portions of the belt between the pulleys are vertical. A,Band C are each 300 mm diameter and the thickness and weight of the belt are neglected. The length DF is 750 mm. Determine :

1. the value of the weight W to maintain the beam in a horizontal position when 4.5 kW is being transmitted, and

2. the value of W, when the belt just starts to slip on pulley A. The coefficient of friction being 0.2 and maximum tension in the belt 1.5 kN.

930_Determine the value of the weight.png


Related Discussions:- Determine the value of the weight

Local operator panel for steam generator, Q. Local operator panel for steam...

Q. Local operator panel for steam generator? A local operator's panel is required for operator use during Steam Generator light off. This panel shall contain the following equ

Screw driver-tool and equipment , Screw Driver: Screwdrivers of different ...

Screw Driver: Screwdrivers of different sizes are used to tighten or loosen screws. These are made of vanadium steels. A typical screw driver is shown in Figure. Fig

Describe the types of gas welding, Q. Describe the Types of Gas Welding? ...

Q. Describe the Types of Gas Welding? Gas welding involves the use of a gas-fed flame torch to heat the metal work piece and the filler material to create a weld. The gas is

Determine the elements of the vdafs version 2.0, Determine the Elements of ...

Determine the Elements of the VDAFS version 2.0 Elements of the VDAFS version 2.0 are shown in Table. Curves and surfaces are described with the help of points, set of points

Determine moment of this normal force - rectangular beam, Determine moment ...

Determine moment of this normal force - rectangular beam: A rectangular beam contains a width of 100 mm and a depth of 200 mm. This is utilized as a simply supported beam & th

Explain frequency reuse, Explain frequency reuse In the cellular conce...

Explain frequency reuse In the cellular concept, service area is separated into regions called cells and the available frequency is divided among these cells. Every cellular b

Calculate the shear flows at the wall, The tapered, two-cell beam is subjec...

The tapered, two-cell beam is subjected to a pure torque of 50,000 in-lb counter clockwise. The length of the beam (normal to the figure) is 100 in. The flange areas are 1 sq in an

Linear programming, Mr. Moody has decided to invest at most N$100 000 in se...

Mr. Moody has decided to invest at most N$100 000 in securities in the form of corporate stocks. He has classified his options into three groups of stocks: blue-chip stocks that he

Helix gear, How to calculate helix angle for the purpose of designing?

How to calculate helix angle for the purpose of designing?

Estimate the tempreture measured by thermocouples, An experiment to determi...

An experiment to determine the convection coefficient associated with airflow over the surface of a thick stainless steel casting involves insertion of thermocouples in the casting

Write Your Message!

Captcha
Free Assignment Quote

Assured A++ Grade

Get guaranteed satisfaction & time on delivery in every assignment order you paid with us! We ensure premium quality solution document along with free turntin report!

All rights reserved! Copyrights ©2019-2020 ExpertsMind IT Educational Pvt Ltd