Determine the output voltage, Electrical Engineering

Assignment Help:

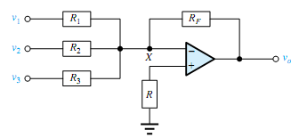
Q. An inverting amplifier is designed with three inputs, v1, v2, and v3, as shown in Figure. Determine the output voltage. Then indicate how the circuit may be modified to perform as a summer.

1228_Determine the output voltage.png


Related Discussions:- Determine the output voltage

Homework, voice signal is measured at 3.21692v and resides in an interval f...

voice signal is measured at 3.21692v and resides in an interval from 3.20v to 3.30. How big is an interval? MAx possible voltage?

Explain working of three-phase transformers, Q. Explain working of three-ph...

Q. Explain working of three-phase transformers? Transformation in three-phase systems can be accomplished in either of two ways: (1) connecting three identical single-phase tra

Determine the function of time for the clock, Q. Determine the function of ...

Q. Determine the function of time for the clock? Given the block diagram for a 4-bit shift-left register shown in Figure (a), draw the output (Q 0 , Q 1 , Q 2 , Q 3 , and data

Spectral analysis and signal bandwidth, Q. Show Spectral Analysis and Signa...

Q. Show Spectral Analysis and Signal Bandwidth? Spectral analysis is based on the fact that a sinusoidal waveform is completely characterized by three quantities: amplitude, ph

Body effect, Body Effect The body effect explains the changes in the th...

Body Effect The body effect explains the changes in the threshold voltage through the change in the source-bulk voltage, approximated by the subsequent equation: In whi

Why ce configuration is widely used in amplifier circuits, Q. Why CE config...

Q. Why CE configuration is widely used in amplifier circuits? The main ability of an transistor lies in amplifying weak signals. The transistor cannot alone perform this functi

Moving coil transducers, Note transducers  convert a physical quantity from...

Note transducers  convert a physical quantity from one  form to another.  The case below illustrates a typical moving coil meter   that   converts   a   current into a mechanical a

Introduction to microprocessors , Normal 0 false false fals...

Normal 0 false false false EN-IN X-NONE X-NONE

Mode of propagation of electromagnetic waves, Q. Mode of propagation of ele...

Q. Mode of propagation of electromagnetic waves? The mode of propagation of electromagnetic waves in free space and atmosphere may be subdivided into three categories: • Gro

Realize the function f by a k map using 0s, Q. Given the following truth ta...

Q. Given the following truth table: (a) Realize the function f by a K map using 0s. (b) Realize the function f by a K map using 1s.

Write Your Message!

Captcha
Free Assignment Quote

Assured A++ Grade

Get guaranteed satisfaction & time on delivery in every assignment order you paid with us! We ensure premium quality solution document along with free turntin report!

All rights reserved! Copyrights ©2019-2020 ExpertsMind IT Educational Pvt Ltd