Charging a capacitor, Physics

Assignment Help:

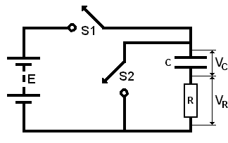
Charging a capacitor:

In the diagram below, all of the resistance in the circuit is added together and shown as a single value R.

495_Charging a capictor.png

With S1 closed and S2 open, the capacitor will charge up.

Note that Kirchhoff's second law always applies, that is:

                   E  =  VR  +  VC

The charging sequence is as follows:

  • On closing S1, no current has yet flowed, the capacitor plates have no charge on them and hence, there is no voltage across it.
  • The whole of the applied voltage is developed across the resistor:

                   VR  =  E

  • The initial charging current is equal to the current through the resistor:  2110_Charging a capictor1.png

  • As C charges, the potential difference across it (VC) increases, opposing the applied voltage (E) so that the charging current is progressively reduced.
  • Finally the capacitor is fully charged (VC = E) and current ceases (consequently VR = O).
  • This sequence is shown graphically below.
    529_Charging a capictor2.png  

The curves are called 'exponential' curves and it can be seen that the slopes dVc/dt and dl/dt are progressively decreasing as time increases.

 


Related Discussions:- Charging a capacitor

Relativistic length contraction, Relativistic Length Contraction The an...

Relativistic Length Contraction The animations that were given below depict these phenomena of length contraction. In every animation a spaceship is moving past Earth at a high

Determine the axial and shear force, Determine the Shear Force in kN rounde...

Determine the Shear Force in kN rounded to 1 DP and Bending Moment in kN.m rounded to 1 DP at point C in the beam when the distance CB is P53 m. Then determine the axial force roun

Ionising argon, An atom of argon(18 protons, 19 neutrons) is ionised by the...

An atom of argon(18 protons, 19 neutrons) is ionised by the removal of two orbiting electrons. Q) How many protons and neutrons are there in this ion?

How many bullets can he fire per second at the most?, A machine gun fires a...

A machine gun fires a bullet of mass 40 g with a velocity 1200 m/s  The man holding it, can exert .  a maximum force of 144 N on the gun. How many bullets can he fire per second at

Absolute and relative permeability of a medium, Distinguish between absolut...

Distinguish between absolute permeability and relative permeability of a medium Absolute Permeability: 1. Absolute permeability is the ability of the medium to allow th

Characteristics of a transmitted pulse, Characteristics of a Transmitted Pu...

Characteristics of a Transmitted Pulse The below animation depicts the boundary behavior of a pulse that is moving along a less dense incident and medium towards that is approa

Top of a tower a stone, From top of a tower a stone is thrown up and it rea...

From top of a tower a stone is thrown up and it reaches the ground in time t1. A second stone is thrown down with the same speed and it reaches the ground in t2. A third stone is r

What is the length of the string, The mass of a string is 4.20 x 10 -3 kg,...

The mass of a string is 4.20 x 10 -3 kg, and it is stretched so the tension in it is 135 N. A transverse wave traveling on this string has a frequency of 260 Hz and a wavelength o

Experiment of a simple gears, Simple gears With a hammer and a medium-s...

Simple gears With a hammer and a medium-sized nail, make holes in the exact centres of various used bottle caps. Straighten the edges of the caps to make them as round as possi

Write any three findings of binding energy curve, Q. Write any three findin...

Q. Write any three findings of binding energy curve. (i) The binding energy per nucleon arrive at a maximum of 8.8 MeV at A = 56 corresponding to the iron nucleus (26Fe56). Th

Write Your Message!

Captcha
Free Assignment Quote

Assured A++ Grade

Get guaranteed satisfaction & time on delivery in every assignment order you paid with us! We ensure premium quality solution document along with free turntin report!

All rights reserved! Copyrights ©2019-2020 ExpertsMind IT Educational Pvt Ltd