Reference no: EM133818155
Operate computer-aided design (CAD)system to produce basic drawing elements
Assessment 1: Answer Questions
In this assessment, you will demonstrate a sound knowledge of the unit requirements through completing and submitting written questions.
You must correctly answer all questions to show that you understand the knowledge required of this unit.
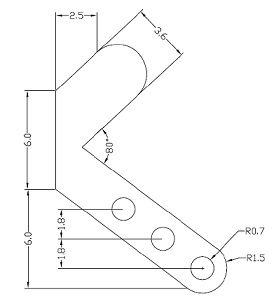
Assessment 2: Task 1 - AutoCAD L-Bracket Drawing
Task 2 - CAD Drawings
This assessment task requires you produce the drawings using CAD Software available in your work environment (7 drawings)
Select one of the drawings and reproduce it as a 3D representation.
Knowledge Assessment 1:
• 1. What are some benefits of CAD?
• 2. How many workspaces are available in AutoCAD?
(a) 2
(b) 4
(c) 3
(d) 5
• Explain your answer:
• 3. How would you draw a Circle by Centre and Radius or Diameter
• 4. What is the value of the angle B in the following figure?

• 5. What is the primary file's type used by AutoCAD?
• (a) PDF
• (b) DWG
• (c) CAD
• 6. Which mode allows the user to draw 90o straight lines :
(a) Osnap
(b) Ortho
(c) Linear
(d) Polar tracking
• Explain your answer:
• 7. How many grip points does a circle have?
(a) 5
(b) 4
(c) 3
(d) 2
• 8. What is the process to draw a line more than one time and save it automatically?
• 9. What is the process of copying the dimension styles from one drawing to another in AutoCAD?
• 10. What Projects Can Be Done In AutoCAD?
• 11. How you can hide the specific layers when plotting in AutoCAD?
• 12. What are grips?
• 13. Should you create your own template files?
• (a) No, AutoCAD has them all pre-loaded
• (b) No, I like to make extra work for myself
• (c) No, I will never use them
• (d) Yes, because I want to be efficient
• 14. Which linetype is available when you start a new drawing?
• (a) Solid
• (b) Hidden
• (c) Straight
• (d) Continuous
• 15. Which option (of the area command) would be best for checking the area of a rectangle?
• (a) Picking points
• (b) Object
• (c) Add
• (d) Subtract
• 16. How do you end AutoCAD?
Assessment 2
Task 1 - AutoCAD L-Bracket Drawing
This assessment task requires you to generate an AutoCAD drawing as shown following:

Throughout this activity, you are required to:
• work within typical site/teamwork structures and methods
• apply worksite communication procedures and standard operating procedures (SOPs)
• comply with organizational policies, procedurestomeet job requirements .
• comply with quality requirements
• use industry terminology and template.
• apply appropriate safety procedures
• identify drawing work requirements and determine appropriate software functions and features
• identify features and uses of CAD software used in detail and design drafting
• access and use computing equipment and CAD software functions to produce drawing elements
Your final drawing should be submitted electronically as a .dwg file.
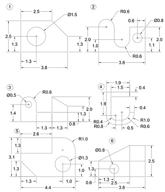
Task 2- CAD Drawings
This assessment task requires you produce the following drawing using CAD Software available in your work environment:


8. Select one of the drawings and reproduce it as a 3D representation.
Note: All 8 drawings must be submitted as separate drawings, both electronically and as a hard copy. For the hard copy versions, print directly from the CAD software and for the electronic version, these should be exported from the CAD program, titled to the work environment and submitted in a PDF format. Hire Best Homework Experts Now!
Throughout this activity, you are required to:
• work within typical site/teamwork structures and methods
• apply worksite communication procedures
• comply with organisational policies and procedures, including quality requirements
• participate in work meetings
• comply with quality requirements and meet job requirements.
• use industry terminology
• apply appropriate safety procedures
• identify drawing work requirements and determine appropriate software functions and features
• identify features and uses of CAD software used in detail and design drafting
• access and use computing equipment and CAD software functions to produce drawing elements