The octal butters 74ls244, Electrical Engineering

Assignment Help:

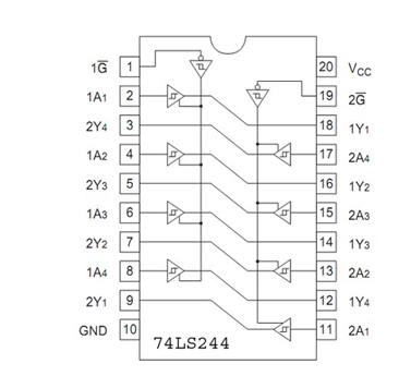
The Octal Butters 74LS244

It has  two group  of four  buffer with  no inverted tri state  output ,  controlled by  two active  low  enable lines  (1G and 2G)  as shown in figure.

272_The Octal Butters 74LS244.PNG

                                                                                  Figure Octal Buffer 74LS244


Related Discussions:- The octal butters 74ls244

Electrical engineering, 4. Modify the circuit designed for question 3 to pr...

4. Modify the circuit designed for question 3 to provide an emergency stop which will park both cylinders in the extended position (i.e. A + B +). 5. Modify the circuit designed fo

Discuss mode - 2 of programmable peripheral interface, Discuss mode -2 (bi-...

Discuss mode -2 (bi-directional mode) of 8255 (Programmable Peripheral Interface). Only permitted with port A. Bi-directional bus data used for interfacing two computers and GP

Calculate the resistivity of an alloy of copper, The resistivity of pure co...

The resistivity of pure copper is 1.56 micro-ohm -cm.  An alloy of copper contains 1 atomic percent nickel has a resistivity of 2.81 micro-ohm-cm. An alloy of copper containing 3-

Explain a miller sweep generator, Q. With the help of circuit diagram expla...

Q. With the help of circuit diagram explain a Miller Sweep generator Figure given below shows the circuit of a Miller integrator or a sweep circuit. Transistor Q1 acts as a swi

DC motor & encoder, If a high resolution emcoder is used for position contr...

If a high resolution emcoder is used for position control, will the number of pole count in the DC motor be matter? What is the requirement for the DC motor in order to work with h

Computer architecture, outline what three features you would add (choose th...

outline what three features you would add (choose the three that you feel would be most advantageous) to the 16 bit version of the processor in order to enhance its power.

Define explicit - implicit and parametric representations, Give an industri...

Give an industrial look at modern CAM/CAD. Define explicit, implicit and parametric representations. What are the basic advantages of parametric representations over the impli

Working principle of a d.c. generator, Q.  Explain the working principle o...

Q.  Explain the working principle of a d.c. generator. Explain clearly the function of commutator in d.c. machines. Sol. Working principle of a D.C. generator: For the 2- po

Find the impedance of the series combination, Q. An RL series circuit carri...

Q. An RL series circuit carries a current of 0.02 cos 5000t A. For R = 100  and L = 20 mH, find the impedance of the series combination and determine the voltage across the series

Explain lda and daa instructions, Explain LDA, STA and DAA instructions ...

Explain LDA, STA and DAA instructions LDA copies the data byte into accumulator from the memory location particular by the 16-bit address. STA copies the data byte from the acc

Write Your Message!

Captcha
Free Assignment Quote

Assured A++ Grade

Get guaranteed satisfaction & time on delivery in every assignment order you paid with us! We ensure premium quality solution document along with free turntin report!

All rights reserved! Copyrights ©2019-2020 ExpertsMind IT Educational Pvt Ltd