Perform a beam modal analysis, Mechanical Engineering

Assignment Help:

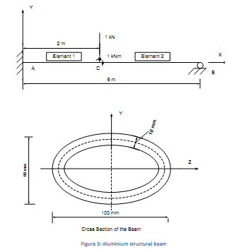
1) Figure shows a thin Aluminium structural beam use in an aircraft structure.  Using the stiffness method,
determine the BM and Shear force of the two elements of the thin beam shown.  Also determine the
displacement at the loading point C.  Show the stiffness matrices for each member and assembled global stiffness
matrix.  Show your step by step solution.  Use a convenient method for the solution such as inverse matrices.   E=
80 GPa  (40 Marks)

2)  Perform a beam structural analysis using ANSYS for beam as: (30 Marks)
1.  Line bodies and  
2.  Surface bodies.    
For each case compare your results with the calculated values.  Compare the time taken to perform your manual
calculations and for the FEA analysis.  You need to show the beam's normal stress plot and a deflection plot.  
(Apply member weights with gravitational acceleration, g = 9.81 m/s2)

3)  Perform a beam modal analysis (vibration) using ANSYS for the beam as: 
1.  Line bodies and 
2.  Surface  bodies.  
List the first three natural frequencies and the mode shapes.  Compare your results for each case. You need to
comment on the difference between the results using line bodies and surface bodies (if there is any difference)

 

2034_33.png


Related Discussions:- Perform a beam modal analysis

Evaluate indicated power, (a) Following consideration were recorder during ...

(a) Following consideration were recorder during a test on a single cylinder oil engine : Bore = 300 mm; speed =300 r.p.r.; stroke = 450 mm;  net break load = 1.5KN;

Flange assembly, The assembly techniques of bolted connections and bolts an...

The assembly techniques of bolted connections and bolts and gaskets material selection are closely interrelated. Consequently, they must be treated as an integrated problem.

Shear forces and bending moments, Shear Forces and Bending Moments: ...

Shear Forces and Bending Moments: A beam is a structural member, subjected to a system of external forces (involving inclined load) to generate the bending of the member in

Cylinder block-basic components of engine , Cylinder Block: This serves a...

Cylinder Block: This serves as an enclosure to the cylinder. The cylinder is an integral part of cylinder block in 100 cc motorcycle. Figure : Cylinder Block

Periodic motion-frequency-time period-free vibration, Periodic Motion: Th...

Periodic Motion: This is the motion that repeats after a regular interval of time. Frequency: This is the number of cycles finished in a unit time. Time Period: This is

Mechanical properties of high temperature strength of metals, Q. Mechanical...

Q. Mechanical Properties of high temperature strength of metals? The high temperature strength of metals is related to their melting points, but many other factors limit the pr

Explain the conventional frame, Show schematic diagram showing the layout o...

Show schematic diagram showing the layout of transmission system of four-wheel driven car. Explain briefly the following types of frame: (a) Conventional frame (b) Integra

Process of corrosion in bfw tank, Q. Process of Corrosion in BFW Tank? ...

Q. Process of Corrosion in BFW Tank? The feed to the BFW Tank is hot and will be flashing when it enters the tank. The vapours will be corrosive when the tank is open to atmosp

Velocity acquired by block - system released from rest, Velocity acquired b...

Velocity acquired by block - system released from rest: T wo blocks shown in the figure given below, have masses A = 20N and B = 10N and the coefficient of friction between

Determine maximum mechanical advantage, Determine maximum mechanical advant...

Determine maximum mechanical advantage: For a lifting machine 15 N effort is needed to raise a load of 70 N with an efficiency equal to 60%, and 25 N effort is needed to lift

Write Your Message!

Captcha
Free Assignment Quote

Assured A++ Grade

Get guaranteed satisfaction & time on delivery in every assignment order you paid with us! We ensure premium quality solution document along with free turntin report!

All rights reserved! Copyrights ©2019-2020 ExpertsMind IT Educational Pvt Ltd