Minimization of the logic function using NORgates, Computer Engineering

Assignment Help:

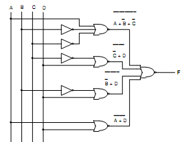
Minimize the logic function F(A, B, C, D) = ∑ m(1,3,5,8,9,11,15) + d(2,13) using NOR gates with help of K-map.

Ans.
Realization of given expression by using NOR gates:
In POS form the minimized logic expression is F = (A + B‾ + C‾ ) ( C‾ +D) ( B‾ +D) (A+D) therefore the logic diagram for the simplified expression is shown in fig.

171_Minimization of the logic function using NOR gates.png

Fig. Logic Diagram


Related Discussions:- Minimization of the logic function using NORgates

Data validation and data transfer, Data Validation condition: The following...

Data Validation condition: The following condition stated below must be met for a data to be valid as is shown in the figure 3a below. 1. The data on the SDA line must remain stabl

What is meant by opening a data file, What is meant by opening a data file ...

What is meant by opening a data file A data file is a file that can be read from or written to. Data files are particularly useful when large amounts of data are involved. Each

Differentiate between unit testing and integration testing, Unit testing an...

Unit testing and integration testing: Unit testing focuses on the least element of software design by the module. Unit test is conducted on every of the modules to uncover er

What are the end-to-end layers of osi structure, What are the end-to-end la...

What are the end-to-end layers of OSI structure? The layers 4 to 7 of ISO-OSI reference model communicate along with peer entities into the end systems. Now here is no communi

Explain progressive control, Explain the term Progressive Control. Pro...

Explain the term Progressive Control. Progressive Control: Step by step system is an illustration of progressive control. The connection is established in stages, in respo

Propositional inference rules - artificial intelligence, Propositional Infe...

Propositional Inference Rules -Artificial intelligence : Equivalence rules are specifically useful because of the vice-versa aspect,that means we can discover forwards andbackw

What do you understand by electronic funds transfer, What do you understand...

What do you understand by Electronic Funds Transfer?  Electronic Funds Transfer: It's an electronic payment method that transfers the money value from one bank account to

Prove using boolean algebra, Q.Prove using Boolean Algebra 1. X (X+Y) = ...

Q.Prove using Boolean Algebra 1. X (X+Y) = X 2. AB + AC + BC' = AC + BC' 3. (A+B+C) (A+B'+C') (A+B+C') (A+B'+C)=A 4. (A+B'+C) (AB+A'C) = (A+C) (A'+B) 5. XY + XZ + YZ

What is EDO RAM, What is EDO RAM A minor modification to the structure ...

What is EDO RAM A minor modification to the structure of the DRAM changes the device into an EDO (extended data output) DRAM device. In EDO memory, any memory access, including

Explain the advantages of high level languages, Explain the Advantages of H...

Explain the Advantages of High Level Languages? The major advantage of high-level languages over low-level languages is that they are easier to write, read, and maintain. Ultim

Write Your Message!

Captcha
Free Assignment Quote

Assured A++ Grade

Get guaranteed satisfaction & time on delivery in every assignment order you paid with us! We ensure premium quality solution document along with free turntin report!

All rights reserved! Copyrights ©2019-2020 ExpertsMind IT Educational Pvt Ltd