Illustrate function of 4-input multiplexer using basic gates, Computer Engineering

Assignment Help:

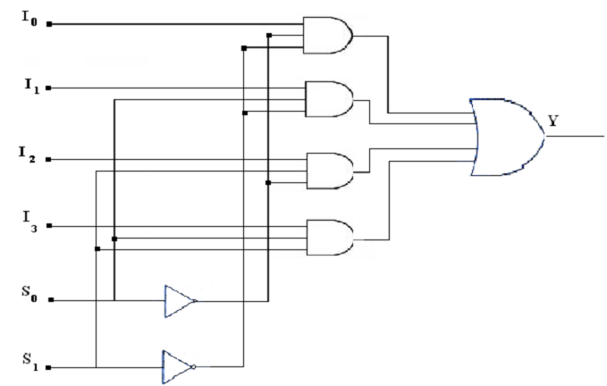
Illustrate functional diagram of digital multiplexer. Write the scheme of a 4- input multiplexer using basic gates (AND/OR/NOT) and explain its operation.

Ans:

Multiplexer: Data selector or MUX is a logic circuit selects binary information from one of several input and directs this to a single output line. Selection of the individual input line is controlled through a set of selection lines. Generally there are 2n input lines and respectively n selection lines.

Here 4 inputs that are I1 I0 I2 I3 and two selection line as S0 and S1. Depending on the bit combination of S0 and S1 one of the inputs is moved to the output. Fundamentally there is a decoder circuit along with one input for each bit of information and one OR gate linked to the output. If So, Si = 00, then first AND gate will contain the two inputs as one output will depend upon I0. At similar time outputs of all other AND gates are Zero.

The multiplexer is a combinational circuit that is individual most broadly utilized standard circuit in digital design. This has N select lines 2N inputs and a particular output.

Multiplexer:-

Y = S‾1S‾0 I0 + S‾1S0 I1 + S1S‾0I2  + S1S0 I3

Truth table of 4x1 Mux

Select inputs

Output

S1

S0

Y

0

0

I0

0

1

I1

1

0

I2

1

1

I3

1121_Circuit Diagram of 4 X 1 MUX using basic gate.png

Circuit Diagram of 4 X 1 MUX using basic gate


Related Discussions:- Illustrate function of 4-input multiplexer using basic gates

What is a semaphore, What is a semaphore? Semaphore: It is a protecte...

What is a semaphore? Semaphore: It is a protected variable or abstract data type that constitutes the typical method for restricting access to shared resources as shared memo

Micro processor code, Suppose that the working register W contains the valu...

Suppose that the working register W contains the value 0x4F, the register FSR contains the value 0x2B; the register with address 0x2B contains 0x2F and the instruction ADDWF INDF,

Data hazards in computer architecture, Data hazards -  computer architec...

Data hazards -  computer architecture : A main effect of pipelining is to alter the relative timing of instructions by overlapping their execution. This introduces contro

Fundamental types of flash memory, Q. Fundamental types of flash memory? ...

Q. Fundamental types of flash memory? Code Storage Flash which is made by Intel, AMD, Atmel. It stores programming algorithms and it is largely found in cell phones. Data

How are comparisons done in 8086 assembly language, Q. How are comparisons ...

Q. How are comparisons done in 8086 assembly language? There is a compare instruction CMP. Though this instruction just sets the flags on comparing two operands (both 16 bits

What are difference between latches and flipflops, What are difference betw...

What are difference between latches and flipflops? Difference : Latches are level-sensitive, while, flipflops is edge sensitive. It means to say edge sensitive that O/p change

Role of internet, Role of Internet, Intranet and extranet in e-business ...

Role of Internet, Intranet and extranet in e-business The following information activities are carried out in many business: 1.  Selling of raw materials 2.  Advertising o

What are the disadvantages of public key cryptography, What are the disadva...

What are the disadvantages of Public Key Cryptography? Disadvantages of Public Key Cryptography are as given below: a) It is used to encrypt a secret key that is used to e

Which techniques are utilized to gain on the number pairs, Which techniques...

Which techniques are utilized to gain on the number pairs and also explain how it helps in connecting number of subscribers. In rural areas, subscribers are usually dispersed.

Drawbacks of specifying parameter assignments using defparam, The disadvant...

The disadvantages of specifying parameter assignments using defparam are: -  Parameter  is  essentially specified  by  the  scope  of  hierarchies  underneath  which  it exists

Write Your Message!

Captcha
Free Assignment Quote

Assured A++ Grade

Get guaranteed satisfaction & time on delivery in every assignment order you paid with us! We ensure premium quality solution document along with free turntin report!

All rights reserved! Copyrights ©2019-2020 ExpertsMind IT Educational Pvt Ltd