Explain the parallel in - parallel out shift registers, Electrical Engineering

Assignment Help:

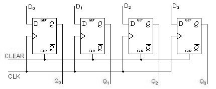
Explain the Parallel In - Parallel Out Shift Registers?

For "parallel in - parallel out" shift registers all data bits show on the parallel outputs immediately following the simultaneous entry of the data bits.

The following circuit is a "four-bit parallel in - parallel out shift register" constructed through D flip-flops.

983_Parallel In - Parallel Out Shift Registers.png

The Q's are the parallel outputs and The D's are the parallel inputs. Once the register is clocked then all the data at the D inputs appear at the corresponding Q outputs simultaneously.


Related Discussions:- Explain the parallel in - parallel out shift registers

Ready input - externally initiated signals , READY Input Microprocess...

READY Input Microprocessor  has to communicate with other  peripherals which  are slow  as compared to the microprocessor. READY  signals  is used to synchronies  these periphe

Basic specifications of a ujt, The very basic specifications of a UJT are: ...

The very basic specifications of a UJT are: Vbb(max) - The maximum interbase voltage that can be applied to the UJT (b) Rbb-the interbase resistance of the UJT (c) n - The

Determine the parameters of the double- revolving-field, Q. The no-load and...

Q. The no-load and blocked-rotor tests conducted on a 110-V, single-phase induction motor yield the following data: • No-load test: input voltage 110 V, input current 3.7 A, and

What are operations performed on data in 8085, What are operations performe...

What are operations performed on data in 8085 The various operations performed are Store 8-bit data Perform arithmetic and logical operations Test for conditio

Semiconductor, What is the similarities between a vacuum diode and a triode...

What is the similarities between a vacuum diode and a triode?

Basic introduction of analog building blocks, Q. Basic introduction of Anal...

Q. Basic introduction of Analog Building Blocks? Electronic systems usually process information in either analog or digital form. In order to process the two different kinds of

Customer indexing scheme, Customer Indexing Scheme: Customer indexing ...

Customer Indexing Scheme: Customer indexing and asset codification system provides a platform to enable the utilities to generate verifiable and validated data of consumers an

Find the voltage drop and current through each component, A 15 volts source...

A 15 volts source is applied to a series 150 μH inductor and 169 pF capacitor. The resistance of the inductor plus the connecting wires is 1,6 Ω. Determine the voltage drop and

Different types of dc generation, Q.   What are the different types of dc g...

Q.   What are the different types of dc generation according to the ways in which fields are excited. Show the connection diagram of each type. Ans. Types of D.C.

Thunderstrom detector, Ask question #how to construct thunderstrom detector...

Ask question #how to construct thunderstrom detector with circuit breaker.

Write Your Message!

Captcha
Free Assignment Quote

Assured A++ Grade

Get guaranteed satisfaction & time on delivery in every assignment order you paid with us! We ensure premium quality solution document along with free turntin report!

All rights reserved! Copyrights ©2019-2020 ExpertsMind IT Educational Pvt Ltd