Explain the bidirectional shift registers, Electrical Engineering

Assignment Help:

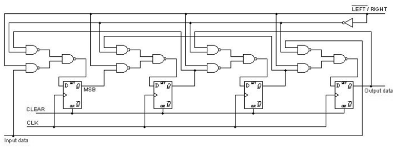
Explain the Bidirectional Shift Registers?

A Reversible or A Bidirectional shift register is one in which the data can be shift either left or right. D flip-flops are used by a four-bit Bidirectional shift register that is shown below.

475_Bidirectional Shift Registers.png

At this point a set of NAND gates are configured as OR gates to select data inputs from the left or right adjacent bistables as selected by the LEFT/RIGHT control line.


Related Discussions:- Explain the bidirectional shift registers

Determine the capacitor and inductor voltages, Experiment • Wire the circu...

Experiment • Wire the circuit shown in Figure. Connect the three oscilloscope channels as shown in Figure. • Select the sinusoidal waveform. Adjust the frequency of the input volt

Society in engineering, cite a specific example in which the engineer must ...

cite a specific example in which the engineer must provide maximum efficiency for a given cost.

Explain the suitability of copper, Explain  the  suitability  of  coppe...

Explain  the  suitability  of  copper that  is  used  as  electrical  conducting materials. Copper : Pure annealed is utilized for the winding of electrical machines. High pur

Continuity equations, Continuity Equations These equations are fundame...

Continuity Equations These equations are fundamentally particle conservation equations: Electron continuity equation:  ∂n /∂t = (1/q) (∂j N / ∂X) + G N - R N Hole c

Illustrate signal attenuation, Q. Illustrate Signal attenuation? Signal...

Q. Illustrate Signal attenuation? Signal attenuation in many channels can be offset by using amplifiers to boost the signal level during transmission. However, the amplifier al

Calculate the pay back of the project, Problem: Jyoti Textile is consid...

Problem: Jyoti Textile is considering whether to add a new product to its range. Machinery costing $280,000 would have to be bought at the start of the project (Year 0). The pr

Requirement specification for the monitor and alarm system, Prepare a User ...

Prepare a User Requirement Specification for the monitor and alarm system. User Requirements Specification should be written in a clear and unambiguous manner to state: • The

Determine the line-to-line voltage at the load terminal, Q. A balanced delt...

Q. A balanced delta-connected load has a per-phase impedance of 45 60° . It is connected to a three-phase, 208-V, 60-Hz supply by a three- phase feeder that has a per-phase impeda

Compare dispersion effects single mode and multimode fibre, Compare dispers...

Compare dispersion effects in single mode and multimode fibres? The optical fibres were categorized within two according to the number of modes it passes as: • Single mode fibre

What is piconet, A collection of devices connected by Bluetooth technology ...

A collection of devices connected by Bluetooth technology in an ad hoc fashion.

Write Your Message!

Captcha
Free Assignment Quote

Assured A++ Grade

Get guaranteed satisfaction & time on delivery in every assignment order you paid with us! We ensure premium quality solution document along with free turntin report!

All rights reserved! Copyrights ©2019-2020 ExpertsMind IT Educational Pvt Ltd