Determine the input bias current, Physics

Assignment Help:

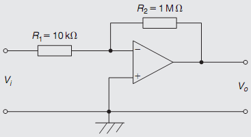
The op amp shown in Figure has an input bias current of 100nA at 20?C. Measure

(a) The voltage gain, and

(b) The output offset voltage due to the input bias current.

(c) How can the effect of input bias current be minimized?

 

515_physics.png


Related Discussions:- Determine the input bias current

How can lenz law explain law of conservation of energy??, Lenz''s Law state...

Lenz''s Law states that the Nature of induced emf in the coil is such that it opposes the causes of it. It can be explained by a simple understanding of Faraday EM induction ex

Aac (all aluminium standard conductors), AAC (All Aluminium standard Conduc...

AAC (All Aluminium standard Conductors) Standard conductors are the conductors made of thin wires of small cross-section and bunched together. They are made by twisting the wir

Explain steady state forced vibration, In steady state forced vibration, br...

In steady state forced vibration, briefly explain how the phase of driven system modifies with frequency of the driving force?

Find out the significancy, In the movie The Shooter starring Mark Wahlber...

In the movie The Shooter starring Mark Wahlberg, it is claimed that coriolis forces need to be taken into consideration when taking a shot at a target 4 kilometres away. To test

Determine the object direction, Q. If the net force acting on an object is ...

Q. If the net force acting on an object is in the positive x-direction, the object moves only in the positive x-direction. It is not true, the object will accelerate only in the

Explain average acceleration, AVERAGE ACCELERATION: The total change in...

AVERAGE ACCELERATION: The total change in velocity of a body separated by total time taken is known as average acceleration. It is denoted by a ? av   or  .

How lots cph is able keep the spin of photon, As we know photon's spin is o...

As we know photon's spin is one, how lots CPH (that have spin) is able keep the spin of photon? Answer; the photon spin like electron spin comes up of its properties and indepe

Determine the concept of beam of light, When a certain beam of light falls ...

When a certain beam of light falls upon a metal surface, it ejects photoelectrons from it.  The number of photoelectrons ejected per second by the beam of light depends upon on

How do you define free radical addition reaction?, When unsaturated compoun...

When unsaturated compounds undergo addition reactions with free radicals, it is known as free radical addition reaction.

Becquerel, Becquerel; Bq (after A.H. Becquerel, 1852-1908) The derived ...

Becquerel; Bq (after A.H. Becquerel, 1852-1908) The derived SI unit of activity, described as the activity of a radionuclide decreasing at rate, on the average, of one nuclear

Write Your Message!

Captcha
Free Assignment Quote

Assured A++ Grade

Get guaranteed satisfaction & time on delivery in every assignment order you paid with us! We ensure premium quality solution document along with free turntin report!

All rights reserved! Copyrights ©2019-2020 ExpertsMind IT Educational Pvt Ltd