Define serial in - serial out shift registers, Electrical Engineering

Assignment Help:

Define Serial In - Serial Out Shift Registers?

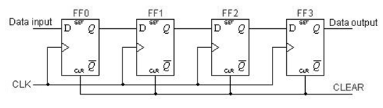
An essential four-bit shift register can be constructed using four D flip-flops. The register is the first cleared forcing all four outputs to zero the input data is then applied sequentially to the D input of the first flip-flop on the left (FF0). All through each clock pulse one bit is transmitted from left to right. Suppose a data word to be 1001. The least significant bit (LSB) of the data has to be shifted through the register from FF0 to FF3.

1291_Serial In - Serial Out Shift Registers.png

In order to obtain the data out of the register they must be shifted out serially. This can be done non-destructively or destructively for destructive readout the original data is lost and at the end of the read cycle all flip-flops are reset to zero.

To evade the loss of data an arrangement for a non-destructive reading can be done by adding two AND gates an OR gate and an inverter to the system and the construction of this circuit is shown below.

69_Serial In - Serial Out Shift Registers 1.png

The data is loaded to a register when the control line is HIGH (that is WRITE). The data is able to be shifted out of the register when the control line is LOW (that is READ).


Related Discussions:- Define serial in - serial out shift registers

Induction heating levitation, Using a levitation coil, you levitate a condu...

Using a levitation coil, you levitate a conductive object in the magnetic field and heat within that field. I have 2 sample report and I would like you to write some thing similar

Bad workmanship, Bad Workmanship Bad workmanship contributes important...

Bad Workmanship Bad workmanship contributes importantly towards increasing distribution losses. Efforts should, thus, be made to have the best probable workmanship. In this co

Discuss classification of conducting materials, Discuss classification of c...

Discuss classification of conducting materials into low resistivity and high resistivity materials. Conducting materials are categorized as low resistivity materials and high r

What is message demodulation, Q. What is Message Demodulation? The majo...

Q. What is Message Demodulation? The major advantage of the conventional (standard) DSB AMsignal transmission is the ease with which the signal can be demodulated. Themessage s

Draw and explain an rc integrator, Q. Draw and explain an RC integrator, wi...

Q. Draw and explain an RC integrator, with equations RC Integrator is a low pass RC circuit in which the output is taken across capacitor. The low pass RC circuit gives conside

Explain loads - generation and absorption of reactive power, Explain Loads ...

Explain Loads - Generation and Absorption of Reactive Power A load at 0.95 power factor implies a reactive power demand of 0.33 kVAr per kW of power. When planning a network, i

Compute the generator efficiency at full load, Q. A 100-kW, 230-V, dc shunt...

Q. A 100-kW, 230-V, dc shunt generator, with R a = 0.05 , and R f = 57.5  has no-load rotational loss (friction, windage, and core loss) of 1.8 kW. Compute: (a) The generato

What is effect of overheating on an electric insulator, What is the effect ...

What is the effect of overheating on the life of an electric insulator? An insulator is designed to withstand amount of heat. However, when an insulator is overheated so dielec

Basic operation of p-channel enhancement mosfet, Q. Basic Operation of  P-...

Q. Basic Operation of  P-channel enhancement MOSFET? In the fabrication of a p-channel depletion field-effect transistor, the gate is insulated from the channel. Therefore, the

Write Your Message!

Captcha
Free Assignment Quote

Assured A++ Grade

Get guaranteed satisfaction & time on delivery in every assignment order you paid with us! We ensure premium quality solution document along with free turntin report!

All rights reserved! Copyrights ©2019-2020 ExpertsMind IT Educational Pvt Ltd