Define serial in - parallel out shift registers, Electrical Engineering

Assignment Help:

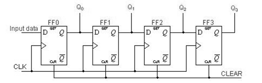
Define Serial In - Parallel Out Shift Registers?

For this type of register data bits are entered serially in the same manner as discussed in the last section and the difference is the way in which the data bits are taken out of the register. Once the data is stored every bit appears on its respective output line and all bits are available simultaneously.

Four-bit serial in - parallel out register is shown below.

477_Define Serial In - Parallel Out Shift Registers.png


Related Discussions:- Define serial in - parallel out shift registers

New asic design flow, There is a requirement to propose a new ASIC design f...

There is a requirement to propose a new ASIC design flow within your company, from VHDL design capture through to GDSII tape out.  It is very important that the flow includes all t

Explain the power chart, Explain the Power Chart The phasor diagram sho...

Explain the Power Chart The phasor diagram shown in Figure with the x and y axes added, as shown. This diagram may be converted to a 'power chart' by multiplying each phasor in

For parity flag - return instructions , For Parity Flag PRE ( Return ...

For Parity Flag PRE ( Return on Parity Even)  and RPO ( Return on Parity Odd) Instructions RPE returns from the  subroutine to the  calling  program if parity flag is not s

Determine the equivalent inductance, Determine the equivalent inductance: ...

Determine the equivalent inductance: Two coils of inductances 4H and 6H are connected in parallel. If their mutual inductance is 3 H, determine the equivalent inductance of th

Schrodinger’s wave equation, Discuss the degeneracy of energy of energy sta...

Discuss the degeneracy of energy of energy states. Solve the Schrodinger’s equation for a free particle in three dimensional boxes and find Eigen values and Eigen function of free

Find the inductor current and voltage, Q. The energy stored in a 2-µH induc...

Q. The energy stored in a 2-µH inductor is given by wL(t) = 9e-2t µJ for t ≥ 0. Find the inductor current and voltage at t = 1 s.

What is thermal runaway, Q. What is thermal runaway? State one method to pr...

Q. What is thermal runaway? State one method to prevent the same? The effect of changes in leakage current (ICO)  and current gain(b) on the dc bias point is given by the equat

Matrix, create a matrix of 5x6. with identical columns and rows ranging fro...

create a matrix of 5x6. with identical columns and rows ranging from 200 to 1000 in equal increments

What is asynchronous data transfer, What is asynchronous data transfer? ...

What is asynchronous data transfer? It is a data transfer method which is used when the speed of an I/O device does not match with the speed of the microprocessor. Asynchronous

Write down expressions for vbn, Q. Referring to Figure, let V BN = V RN =...

Q. Referring to Figure, let V BN = V RN = 120 V rms magnitude, and V BR = 240 V rms magnitude. Write down expressions for v BN (t), v RN (t), and v BR (t), and sketch them as a

Write Your Message!

Captcha
Free Assignment Quote

Assured A++ Grade

Get guaranteed satisfaction & time on delivery in every assignment order you paid with us! We ensure premium quality solution document along with free turntin report!

All rights reserved! Copyrights ©2019-2020 ExpertsMind IT Educational Pvt Ltd