Compute the electrostatic potential solution, Electrical Engineering

Assignment Help:

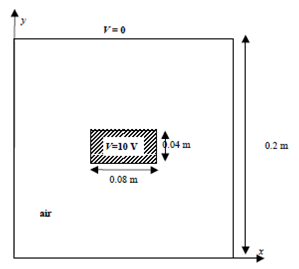
Figure shows the cross-section of an electrostatic problem with translational symmetry: a rectangular coaxial cable. The inner conductor is held at 10 volts and the outer conductor is grounded. (This is similar to the system considered in Question 3, Assignment 1.)

(a) Use the two-element mesh shown in Figure as a "building block" to construct a finite element mesh for one-quarter of the cross-section of the coaxial cable. Specify the mesh, including boundary conditions, in an input file following the format for the SIMPLE2D program as explained in the course notes. (Hint: Your mesh should consist of 46 elements.)

(b) Use the SIMPLE2D program with the mesh from part (a) to compute the electrostatic potential solution. Determine the potential at (x,y) = (0.06, 0.04) from the data in the output file of the program.

(c) Compute the capacitance per unit length of the system using the solution obtained.

1455_velocity diagram.png


Related Discussions:- Compute the electrostatic potential solution

Ac motors, If the stator windings of an alternator were to be supplied ...

If the stator windings of an alternator were to be supplied by an AC of frequency f (as opposed to drawing an AC current from them as would be the case for an alternator) then

What is tunnel effect and applications of tunnel effect, What is tunnel eff...

What is tunnel effect? Discuss the Alpha decay as an example of tunnel effect. Prove that tunneling increases on decreasing the height and width of the barrier. Explain what do you

Sparking with electrical equipment, Sparking : In ordinary domestic situat...

Sparking : In ordinary domestic situations, small electrical sparks are usually not hazardous. In certain conditions which are frequently encountered in science labs, even the sma

Explain the working of asynchronous (ripple) counters, Explain the Working ...

Explain the Working of Asynchronous (Ripple) Counters? An external clock is connected to the clock input of the first flip-flop (FF0) only. Thus FF0 changes state at the falli

Concept of flux density, We can illustrate the direction and strength of a ...

We can illustrate the direction and strength of a magnetic field by means of drawing 'flux lines'. These have arrows to show the direction of the magnetic field at any point and th

Relationship between the induced e.m.f and the network, Mathematical relati...

Mathematical relationship between the induced e.m.f and the network Faraday noted that the e.m.f induced in a loop is proportional to the rate of change of magnetic flux by it:

States the superposition theorem, The superposition theorem states: 'In...

The superposition theorem states: 'In any network made up of linear resistances and having more than single source of e.m.f, the resultant current flowing in any branch is the

Advantage of digital technology, Q. Advantage of digital technology? Th...

Q. Advantage of digital technology? The primary advantage of digital technology is the low cost, simplicity, and versatility of the digital building blocks. Because digital sig

Forward and reverse battery bias, Forward and Reverse battery bias In ...

Forward and Reverse battery bias In diagram below(a) the battery is arranged that is why the negative terminal supplies electrons to the N-type material. These types of electr

Calculate total resistance, Calculate total resistance among terminal A and...

Calculate total resistance among terminal A and B for the circuit below.

Write Your Message!

Captcha
Free Assignment Quote

Assured A++ Grade

Get guaranteed satisfaction & time on delivery in every assignment order you paid with us! We ensure premium quality solution document along with free turntin report!

All rights reserved! Copyrights ©2019-2020 ExpertsMind IT Educational Pvt Ltd