Calculate the propagation delay for output, Computer Engineering

Assignment Help:

Problem:

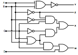
(a) Consider the following combinational circuit:

332_Calculate the propagation delay for output.png

(i) Calculate the propagation delay for each output. Assume each gate has a delay of 10 ns.

(ii) The above circuit is actually a code-converter from BCD code (ABCD) to an unknown code (WXYZ). By drawing a truth table of this circuit of otherwise, find the relationship (in words) between code ABCD and WXYZ.

(b) State three architectural differences between a traditional ISA bus with cache and that of a modern High-Performance bus.

(c) Contrast between RAID Level 5 and RAID Level 10.


Related Discussions:- Calculate the propagation delay for output

What is "at exit-command", What is "at exit-command:? The flow logic K...

What is "at exit-command:? The flow logic Keyword at EXIT-COMMAND is a special addition to the MODULE statement in the Flow Logic .AT EXIT-COMMAND lets you call a module befor

Instruction set, Instruction set: The architecture gives instructions for m...

Instruction set: The architecture gives instructions for multimedia operations and floating point operations. The Itanium supports various bundle mappings to allow for more inst

Explain working of d flip -flop, Q. Explain working of D Flip -Flop? D ...

Q. Explain working of D Flip -Flop? D (data) flip-flop is modification of RS flip-flop. Problem of undefined output in SR flip-flop when both R and S become 1 gets avoided in D

The average height or weight, A script kept information on potential subjec...

A script kept information on potential subjects for an experiment in a vector of structures known as "subjects".  The following show an example of what the contents may be: >> subj

How to create a rollover image, Q. How to Create a Rollover Image? A ro...

Q. How to Create a Rollover Image? A rollover image is an image whose display changes when pointer passes ('rolls') over it. You will use Dreamweaver's Insert Rollover Image co

Genetic algorithms - artificial intelligence, Genetic Algorithms: In s...

Genetic Algorithms: In such a scenario the evolutionary approach to "Artificial Intelligence" is one of the neatest ideas of all. Whether we have tried to mimic the functionin

Does weblogic jms support clustering, WebLogic JMS handles cluster-wide, tr...

WebLogic JMS handles cluster-wide, transparent access to destinations from any server in the cluster. A system administrator can set up cluster-wide, transparent access to destinat

Implement or, Q. Write a program to implement OR, NOR, AND and NAND gates ...

Q. Write a program to implement OR, NOR, AND and NAND gates using and without using Bit wise operator. The menu should be as follows: I. Using Bit Wise operator II. Withou

Difference between next and continue clause, The difference among the next ...

The difference among the next and continue verb is that in the continue verb it is used for a situation where there is no EOF condition that is the records are to be accessed again

What is model view controller (mvc), Model-View-Controller (MVC) is a desig...

Model-View-Controller (MVC) is a design pattern in which "the user input, the modelling of the external world and the visual feedback to the user are explicitly splitted and handle

Write Your Message!

Captcha
Free Assignment Quote

Assured A++ Grade

Get guaranteed satisfaction & time on delivery in every assignment order you paid with us! We ensure premium quality solution document along with free turntin report!

All rights reserved! Copyrights ©2019-2020 ExpertsMind IT Educational Pvt Ltd