By the nodal analysis find the current delivered, Electrical Engineering

Assignment Help:

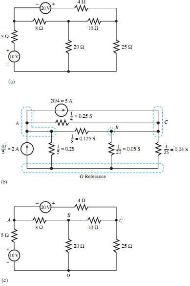
By means of nodal analysis, find the current delivered by the 10-V source and the voltage across the 10- resistance in the circuit shown in figure.

2023_By the nodal analysis find the current delivered.png


Related Discussions:- By the nodal analysis find the current delivered

Series connected motor, In this case, the armature is connected in series w...

In this case, the armature is connected in series with the field coils. Thus I a   = I f = I         NB. At starting, the back emf is zero (because the m

Draw the energy diagram of a pn junction, Question: a). Draw the energy...

Question: a). Draw the energy diagram of a pn junction: (i) at thermal equilibrium, (ii) when a forward bias with magnitude half the built in potential (V = φk/2) is applie

Dc motor - motor control , DC Motor The motor  which  require dc  supp...

DC Motor The motor  which  require dc  supply to drive them are called DC motors DC motor  consist  two types  of windings. a. Fields Winding b. Armature Winding

Simple harmonic motion, what is the application of simple harmonic motion i...

what is the application of simple harmonic motion in electrical engineering?

Define the perspective transformation, Define the application of CAM/CAD to...

Define the application of CAM/CAD to engineering design along with its benefits. a) A triangle is prepared by three position vectors A[2 4 1], B[4 6 1], C[2 6 1], get the reflec

Active-mode npn transistors in circuits, Active-mode NPN transistors in cir...

Active-mode NPN transistors in circuits Figure:  Structure and use of NPN transistor. Arrow according to schematic. The figure opposite is a schematic presentation

Memory address - address bus , Memory Address The memory  address is of...

Memory Address The memory  address is of 16  bits. It ranges from 0000?H to  FFFH 16bits address lines of 8085 microprocessor are  capable  of addressing 216 i e 65, 536, ( or

Single Phase Induction Motor, How do I connect a Capacitor on the machine i...

How do I connect a Capacitor on the machine if it has a start mechanism

Calculating the damping ratio of the system, Consider the following mechani...

Consider the following mechanical system: a) Write a differential equation that describes the motion for this system. b) Take the Laplace transform of this equation and

Construction and working of analog type storage oscilloscope, Q.   Describe...

Q.   Describe in detail the construction and working of analog type storage oscilloscope. Explain the principle of secondary emission. Analog Storage Oscilloscopes: Storage o

Write Your Message!

Captcha
Free Assignment Quote

Assured A++ Grade

Get guaranteed satisfaction & time on delivery in every assignment order you paid with us! We ensure premium quality solution document along with free turntin report!

All rights reserved! Copyrights ©2019-2020 ExpertsMind IT Educational Pvt Ltd