Basic need of random access memory, Computer Engineering

Assignment Help:

Q. Basic need of Random Access Memory?

Main memory is Random access memory. It is generally organised as words of fixed length. Length of a word is termed as word length. Every one of these memory words has an independent address and every one of them has same number of bits. Generally total numbers of words in memory are some power of 2. A number of typical memory word sizes are 8 bits, 16 bits, 32 bits etc. Main memory can be both read and written into so it is known as read-write memory.

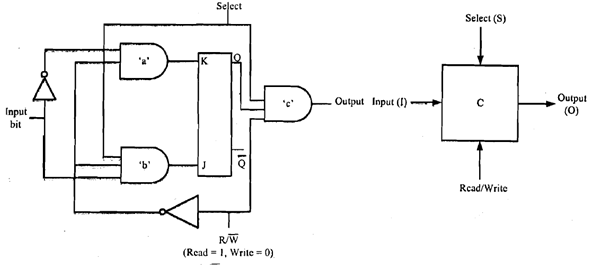
The access time and cycle time in RAMs are constant and independent of location accessed. How does this happen? To answer this, let's first discuss how a bit can be stored using a sequential circuit. Logic diagram of a binary cell is displayed in Figure below:

125_Basic need of Random Access Memory.png

Figure: Logic Diagram of RAM cell


Related Discussions:- Basic need of random access memory

Explain analysis and synthesis phase of a compiler, Explain analysis and sy...

Explain analysis and synthesis phase of a compiler. The synthesis and analysis phases of a compiler are: Analysis Phase: In this breaks the source program in constituent

Functions for message passing, Functions for Message Passing: MPI proc...

Functions for Message Passing: MPI processes don't share memory space and one process can't directly access other process's variables. Therefore they need some form of communi

Implement a memory management system , There should be 1 server thread and ...

There should be 1 server thread and N client threads, where N is supplied by the user as a command line argument. The server opens a file called "all_requests.dat", the file has

Differentiate between validation and simulation, Question 1: a) Name a...

Question 1: a) Name and give a brief description of three Real-Time Systems. b) State three downfalls of Embedded Systems. c) Differentiate between a microprocessor an

Explain the term- wireless technologyand broadband, Explain the term- Wirel...

Explain the term- Wireless Technologyand Broadband Wireless Technology (WiFi) and Broadband Most areas in the world now provide broadband instead of dial up for connectin

Overfitted the data, Overfitted the data: Moreover notice that as time...

Overfitted the data: Moreover notice that as time permitting it is worth giving the training algorithm the benefit of the doubt as more as possible. However that is, the error

Limitation identified in amdahls law, Q. Limitation identified in Amdahls l...

Q. Limitation identified in Amdahls law? There is one main limitation identified in Amdahl's law. As said by Amdahl's law workload or problem size is forever fixed as well as n

How do subroutines help in program writing, How do subroutines help in prog...

How do subroutines help in program writing? Some of the significant characteristics of Subroutine that help in program writing are: A subroutine is named, each have a

Define about hyper-threading technology, Q. Define about Hyper-threading te...

Q. Define about Hyper-threading technology? Hyper-threading technology enables a single microprocessor to behave as two separate threaded processors to operating system and app

Determine by which final selector is connected, The final selector is conne...

The final selector is connected to the (A) calling subscriber.                     (B) switching network. (C) called subscriber.                      (D) li

Write Your Message!

Captcha
Free Assignment Quote

Assured A++ Grade

Get guaranteed satisfaction & time on delivery in every assignment order you paid with us! We ensure premium quality solution document along with free turntin report!

All rights reserved! Copyrights ©2019-2020 ExpertsMind IT Educational Pvt Ltd