Architecture of 8088-microprocessor, Assembly Language

Assignment Help:

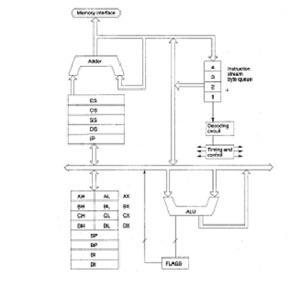
Architecture Of 8088

The register set of 8088 is accurately the same as in to 8086. The architecture of 8088 is also same to 8086 except for 2 changes; a) 8088 has 4-byte instruction queue and b) 8088 has 8-bit data bus. The function of particular block is the similar as in 8086.the 8088 architecture is shown in figure.

273_arch of 8088.jpg

                                                           Figure: Architecture of 8088

 

The addressing capability of 8088 is 1Mbyte, so, it needs 20 address bits, for example 20 addressing lines. When  handling  this 20-bit  address,  the segmented  memory  scheme  is utilized  and  the total  physical address  forming  procedure  is  the  similar as  explained  in  case  of  8086.  Memory addressingand organization methods of 8088.Whereas physically interfacing memory to 8088, there is nothing such as an even address bank or odd address bank. The total memory is homogeneously addressed as a bank of 1Mbyte memory locations by using the segmented memory scheme. This change in hardware is totally transparent to software.  As a conclusion of the modified data bus, the 8088 may access just a byte at a time. This fact reduces the speed of operation of 8088 as compared to 8086, but the 8088 mayprocess the 16-bit data internally. On account of this change in bus structure, the 8088 has different timing diagrams than 8086.

 


Related Discussions:- Architecture of 8088-microprocessor

Aaa-arithmetic instruction-microprocessor, AAA: ASCII Adjust after Additio...

AAA: ASCII Adjust after Addition operation the AAA instruction is executed after an ADD instruction that adds 2 ASCII coded operands to give a byte of outcome in the AL. The AAA i

Introduction to 80 x 86 assembly language, Using the windows32 framework, w...

Using the windows32 framework, write a complete 80x86 program for Programming Exercises 4.3 number 3, on pages 130-131 of the textbook. Follow all coding conventions mentioned in

8088 associated with 8259 a-microprocessor, For an 8088 the 2 addresses lin...

For an 8088 the 2 addresses linked with an 8259A are normally consecutive, and the AO line is associated to the AO pin, but because there are just 8 data pins on the 8259A and the

Architecture of 8088-microprocessor, Architecture Of 8088 The register ...

Architecture Of 8088 The register set of 8088 is accurately the same as in to 8086. The architecture of 8088 is also same to 8086 except for 2 changes; a) 8088 has 4-byte instr

Microprocessor, from pin description it seems that 8086 has 16 address/data...

from pin description it seems that 8086 has 16 address/data lines i.e.AD0_AD15.The physical address is however is larger than 2^16.How this condition can be handled

Nonrecursive Factorial, Write a nonrecursive version of the Factorial proce...

Write a nonrecursive version of the Factorial procedure (Section 8.3.2) that uses a loop. (A VideoNote for this exercise is posted on the Web site.) Write a short program that inte

Test-logical instruction-microprocessor, TEST : Logical Compare Instructio...

TEST : Logical Compare Instruction: The TEST instruction performs bit by bit logical AND operation on the 2 operands. Each bit of the result is then set to value I, if the equival

Project ideas, can u please give me ideas on Assembly Language Projects usi...

can u please give me ideas on Assembly Language Projects using Nasm

Modes of 8254-microprocessor, Modes of 8254 :   Mode 0 (Inter...

Modes of 8254 :   Mode 0 (Interrupt on Terminal Count)-GATE which value is 1 enables counting and GATE  which value is 0 disables counting, and GATE put not effect on

8086, Write a program to mask bits D3D2D1D0 and to set bits D5D4 and to inv...

Write a program to mask bits D3D2D1D0 and to set bits D5D4 and to invert bits D7D6 of ax register

Write Your Message!

Captcha
Free Assignment Quote

Assured A++ Grade

Get guaranteed satisfaction & time on delivery in every assignment order you paid with us! We ensure premium quality solution document along with free turntin report!

All rights reserved! Copyrights ©2019-2020 ExpertsMind IT Educational Pvt Ltd