Reference no: EM131597564
Assignment
Answer /discuss the following 5 questions. Your answers should be 2-3 sentences long with detailed explanations. Also solve the following 4 problems and include detailed formulations, calculations and explanations.
Questions:
1) List the pre-cautions for handling MOSFETs.
2) Can you explain why ESD (Electro Static Discharge) can damage the MOSFET devices and not BJT
3) What is the difference between IGBT and IGFET?
4) Can you explain why the BJT (Bipolar Junction Transistor) is a bipolar device and FET (Field Effect Transistor) is a unipolar device? Explain why a unipolar device is faster in switching speed.
5) What MOSFET stands for? What is the difference between E-MOSFET and D-MOSFET?
Problems:
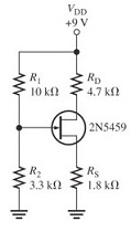
1) Determine the total input resistance in the following circuit. IGSS = 20 nA at VGS = - 10 V.

2) A certain JFET is biased in the ohmic region at VDS = 0.8 V and ID = 0.20 mA. What is the drain-to-source resistance?
3) Determine VDS for each circuit below. IDSS = 8 mA.

4) Determine the maximum ID and VGS for the circuit.
