Design control strategy-manipulate high-pressure gas valve

Assignment Help Chemistry
Reference no: EM131468812

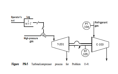
Question: Consider the turbine/compressor process shown in Fig. The motive force for the turbine, T-201, is a high-pressure gas, and the compressor, C-103, compresses a refrigerant gas. The operator sets the valve position of the high-pressure gas valve, which in turn results in a certain compressor speed. A lag unit is used to avoid sudden changes in the high-pressure valve position. Under normal operating conditions, the valve should respond to the operator's set value. However, there are some special conditions that the control system must guard against. l Under normal conditions, the pressure in the refrigerant gas line is about 15 psig. However, during start-up and under other circumstances, the pressure in the line tends to drop below 8 psig, which condition is dangerous to the compressor. In this case the compressor velocity must be reduced to pull in less gas, thus increasing the pressure in the line. The lowest safe pressure in the refrigerant line is 8 psig. l Because of mechanical difficulties, the compressor velocity must not under operation exceed 95% of its maximum rated velocity. Also, it must not drop below 50% of its maximum velocity.

340_11-5.png

1694_11-6.png

Design, to manipulate the high-pressure gas valve, a control strategy that does not violate the foregoing constraints.

Reference no: EM131468812

Questions Cloud

New population mean of flightpro map : After the software update, you do not know the new population mean of FlightPro map download speeds on electronic devices, but you do know that the standard.
How did this loss affect the person mentally : When he/she experienced this loss, what emotions, feelings, thought, and physical symptoms did the person experience?
Proportion of time employee remembers : One of the statistics collected is the proportion of time employee remembers to include a coupon for the next purchase in the bag.
What is the maximum superimposed load : After the concrete cures and reaches its full strength, what is the maximum superimposed load (psf) that the floor can support
Design control strategy-manipulate high-pressure gas valve : Consider the turbine/compressor process shown in Fig. The motive force for the turbine, T-201, is a high-pressure gas, and the compressor, C-103, compresses.
Identify whether the behavior is ethical or unethical : Identify whether the behavior is ethical or unethical.If ethical, what greater purpose or law enforcement responsibility does it serve to accomplish and why?
How large is your agency : What is the specific technology and how does it benefit law enforcement? Describe.
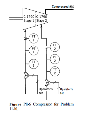
Design a control strategy to avoid closing the valves : Consider the compressor shown in Fig. PI0049-6. This two-stage compressor has two different suction points. In each suction line there is a volumetric flow.
Develop four questions that you might investigate : Develop four questions that you might investigate about the topic you selected. Each question should reflect a different research motive.

Reviews

Write a Review

Chemistry Questions & Answers

  Steps in the mechanism for the following reaction

Show all the steps in the mechanism for the following reaction, When benzene is mixed with deuterated sulfuric acid, deuterium is slowly incorporated onto the ring. Show the mechanism for this reaction and explain how this relates the sulfonation of ..

  Prior to placing piece of metal into the graduated cylinder

This assignment inhibits chemistry Laboratory Questions.

  Write the structures of the saytzeff elimination

Write the structures of the saytzeff elimination

  Calculate ph - chemistry questions

Chemistry Questions on Calculate P H

  How many mols of hydrogen can produce

how many mols of H 2 can produce

  Analysis of corrosion mechanisms

Analysis of corrosion mechanisms and preventative measures

  Chemical and pharmaceutical science

Write an equation for the formation of an acetal from reaction of excess methanol with benzaldehyde in the presence of an acid catalyst.

  Calculate the approximate sulphur

Calculate the approximate SO 2 mass emission in lb/day.

  What is the structure - stereochemistry

What is the structure (including functional groups)? Stereochemistry (racemic or single enantiomer)?

  Design a qualitative analysis scheme

Design a qualitative analysis scheme

  What will be the resultant pressure

What will be the resultant pressure when the stopcock is opened?

  The 1h nmr spectrum

Integrals for some of the resonances in the 1H NMR spectrum are higher than they should be due to the shear number of hydrogens in this compound

Free Assignment Quote

Assured A++ Grade

Get guaranteed satisfaction & time on delivery in every assignment order you paid with us! We ensure premium quality solution document along with free turntin report!

All rights reserved! Copyrights ©2019-2020 ExpertsMind IT Educational Pvt Ltd