Reference no: EM131224321
Before you start please read the following instructions carefully.
1. This assignment forms part of the formal assessment for this module. If you fail to reach the required standard for the assignment then you will be allowed to resubmit but a resubmission will only be eligible for a Pass grade, not a Merit or Distinction.
You should therefore not submit the assignment until you are reasonably sure that you have completed it successfully. Seek your tutor's advice if unsure.
2. Ensure that you indicate the number of the question you are answering.
3. Make a copy of your answers before submitting the assignment.
4. Complete all details on the front page of this TMA and return it with the completed assignment to your support centre via Blackboard.
5. Your tutor's comments on the assignment will be posted on Blackboard as a separate feedback sheet. Your assignment will not be returned to you.
Assessment Criteria
This assignment relates to the operation and evaluation of both linear an switched-mode power supply circuits and to the design a linear power supply to meet a given specification. The assignment forms Element I of the module's assessment criteria that covers in part Learning Outcomes 1 2 & 4 as indicated below.
Knowledge and Understanding
1. Demonstrate an understanding of a variety of electronic circuits including power supplies operational amplifier circuits and digital to circuits
Cognitive and Intellectual Skills
2. Choose appropriate circuit components for the design of electronic circuits.
Key Transferable Skills
3. Demonstrate the application of numerical skills to the solution of problems relating to digital and analogue devices and circuits.
1. A 230 V smoothed [but unregulated] power supply is required to meet the following specification:
- Output voltage 12 V
- Output current 2 A
- ripple factor < 0.024.
i) Sketch a suitable circuit.
ii) Making any reasonable assumptions specify suitable ratings and values for the:
- transformer
- bridge rectifier
- smoothing capacitor .
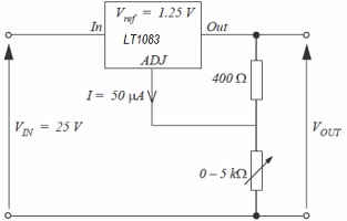
2. Calculate the output voltage range for the adjustable voltage regulator* circuit shown in FIGURE 1.
*Data sheet is in Blackboard/Assessment.

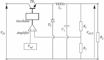
3. a) State the type of switching regulator shown in FIGURE 2, and briefly explain its operation.
b) In FIGURE 2, R1 = 10 kΩ Vref = 1.25 V and the duty cycle D is 30%. Determine:
i) the required value of R2 [select the nearest preferred value from the E24 series].
ii) the value of VIN.

|
|
|
E24 series (tolerance 5% and 1%)
|
|
|
10
|
11
|
12
|
13
|
15
|
16
|
|
18
|
20
|
22
|
24
|
27
|
33
|
|
33
|
36
|
39
|
43
|
47
|
51
|
|
56.
|
62
|
68
|
75
|
82
|
91
|
|
Effort exployees put into their work depends
: Expectancy theory is the idea that the effort exployees put into their work depends on (1) expectations about their own ability to perform, (2) expectations about likely rewards, and (3) the attractiveness of those rewards.
|
|
Decision-making approach affected the final outcome
: Identify a decision that was taken and implemented to address a specific problem in your organization (company, church, school etc) or your country. Determine whether decision-maker(s) used a rational and systematical approach to taking and implement..
|
|
Develop a swot analysis detailing the strengths
: Select an organization and describe its history, products, and major competitors in a paragraph or two. Develop a SWOT analysis detailing the strengths, weaknesses, opportunities, and threats that may affect the organization.
|
|
Discuss the business issues that are brought up
: Write a two page paper talking about the accounting and/or tax issues raised in the episode. If the episode is somewhat lacking on potential accounting/tax issues, you can discuss the business issues that are brought up.
|
|
Design a linear power supply
: DIGITAL & ANALOGUE DEVICES &CIRCUITS - Demonstrate an understanding of a variety of electronic circuits including power supplies operational amplifier circuits and digital to circuits
|
|
Write a learning plan to resolve a performance gap
: Develop a learning plan to resolve a performance gap where training is the most appropriate solution or intervention.
|
|
List should include identification of any employees
: List should include identification of any employees who decline OT. Lists should be posted every 2 weeks. An analysis of the strength of the other positions-were their positions weak and not well supported, or just the opposite?
|
|
Major health issue in the united states
: Obesity is a major health issue in the United States. What environmental factors do you believe have contributed to obesity? What health concerns can result from obesity? How can advocates, policy makers, and others get individuals to adopt more h..
|
|
Explain how decision analysis
: Using a specific example, explain how "Decision Analysis" would be able to assist a small business manager make more efficient decisions.
|