Reference no: EM131532918
Q1. A lamp with nominal values of 230 V / 40 W is operated at a voltage U = 400 V via a series resistor. The power loss Pv = 20 W is to be created at the series resistor.
A) Calculate the power consumption of the lamp.
B) Calculate the lamp voltage.
Note: There are two solutions for the power consumption and the lamp voltage. Rate this.
Q2. Given is the following network:

A) Draw the network graph and determine z, k, and m.
B) Calculate all branch streams using the branch flow arrows entered in the sketch. You can choose the calculation method freely.
Q3. Given is the following network:

The switch is closed at time t = 0.
A) Determine the values of ic and uc for t < 0, t = +0 and t >> 0, and assemble them into a table.
B) Calculate the time constant T.
C) Specify the time functions of ic and uc analytically and show the time functions in the diagram graphically.
Q4.

A) Calculate the current pointer with the I2 two-pole method.
B) Give the function of the time i2 (t).
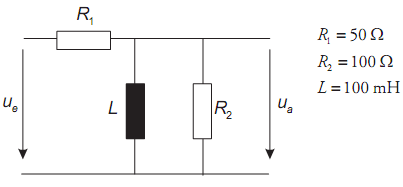
Q5. Given is the following transfer member

A) Calculate the complex transfer function G(jω).
B) What is the characteristic of the circuit (highpass, lowpass)?
C) Determine the values T and K of the general transfer function and calculate the limit frequency ωE.
D) Calculate the magnitude function G(ω) and the function of the phase angle φG(ω).
E) Calculate the amounts and phase angles of the transfer function for the frequencies
ωE, 10ωE, 0, 1ωE
F) Draw the Bode diagram.
G) Let uc = 1 V·cosωEt.
Enter the time function of the output voltage
ua = u^a·cos(ωEt +φua) with the values u^a and φua.