Shift Register
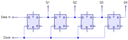
The shift register is a cascade of Flip flops, sharing same clock, which has the output of anyone but the last flip-flop connected to "data" input of the next one in chain, resulting in a circuit which shifts by one position the 1- dimensional "bit array" stored in it, shifting in data there at its input and shifting out the last bit in the array, when enabled to do this by a transition of the clock input. More commonly, a shift register can be multidimensional; so that its "data in" input and stage outputs are bit arrays themselves: this is implemented simply by running many shift registers of same bit-length in parallel.

Email based Digital Electronics assignment help - homework help at Expertsmind
Are you searching Electronics Engineering assignment help expert for help with Shift Register questions? Shift Register topic is not easier to learn without any external help? We at www.expertsmind.com offers free lecture notes for Digital Electronics and circuits assignment help and Digital Electronics homework help. Live tutors are available 24x7 hours for helping students in their Shift Register related problems. We provide step by step Shift Register question's answers with 100% plagiarism free content. We prepare quality content and notes for Shift Register topic under Digital electronics theory and study material. These are avail for subscribed users and they can get advantages anytime.
Why Expertsmind for assignment help
- Higher degree holder and experienced experts network
- Punctuality and responsibility of work
- Quality solution with 100% plagiarism free answers
- Time on Delivery
- Privacy of information and details
- Excellence in solving Digital electronics engineering questions in excels and word format.
- Best tutoring assistance 24x7 hours