Multiplexer Assignment Help

Assignment Help: >> Combinational Circuits >> Multiplexer

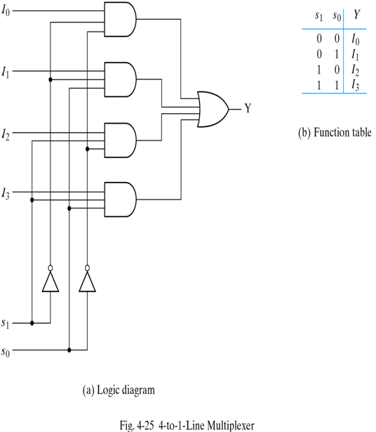
Multiplexer

  • It is the combinational circuit which selects binary information from one of the input lines and directs it to the single output line
  • Commonly there are 2n input lines and n selection lines the bit combinations of which determine that which input line is selected
  • For instance for 2-to-1 multiplexer if selection S is zero then I0 has path to output and if S is one I1 has path to output

139_multiplexer.png

Email based Digital Electronics assignment help - homework help at Expertsmind

Are you searching Electronics Engineering assignment help expert for help with Multiplexer questions?  Multiplexer topic is not easier to learn without any external help?  We at www.expertsmind.com offers free lecture notes for Digital Electronics and circuits assignment help and Digital Electronics homework help. Live tutors are available 24x7 hours for helping students in their Multiplexer related problems. We provide step by step Multiplexer question's answers with 100% plagiarism free content. We prepare quality content and notes for Multiplexer topic under Digital electronics theory and study material. These are avail for subscribed users and they can get advantages anytime.

Why Expertsmind for assignment help

  1. Higher degree holder and experienced experts network
  2. Punctuality and responsibility of work
  3. Quality solution with 100% plagiarism free answers
  4. Time on Delivery
  5. Privacy of information and details
  6. Excellence in solving Digital electronics engineering questions in excels and word format.
  7. Best tutoring assistance 24x7 hours

Free Assignment Quote

Assured A++ Grade

Get guaranteed satisfaction & time on delivery in every assignment order you paid with us! We ensure premium quality solution document along with free turntin report!

All rights reserved! Copyrights ©2019-2020 ExpertsMind IT Educational Pvt Ltd