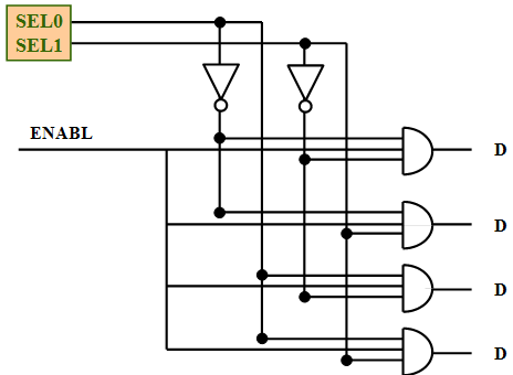
Demultiplexer:
|
ENBL SEL1 SEL2 D00 D01 D10 D11
|
|
0
1
1
1
1
|
X X
0 0
0 1
1 0
1 1
|
0 0 0 0
1 0 0 0
0 1 0 0
0 0 1 0
0 0 0 1
|
1 to 8 line Demultiplexer

Email based Digital Electronics assignment help - homework help at Expertsmind
Are you searching Electronics Engineering assignment help expert for help with Demultiplexer questions? Demultiplexer topic is not easier to learn without any external help? We at www.expertsmind.com offers free lecture notes for Digital Electronics and circuits assignment help and Digital Electronics homework help. Live tutors are available 24x7 hours for helping students in their Demultiplexer related problems. We provide step by step Demultiplexer question's answers with 100% plagiarism free content. We prepare quality content and notes for Demultiplexer topic under Digital electronics theory and study material. These are avail for subscribed users and they can get advantages anytime.
Why Expertsmind for assignment help
- Higher degree holder and experienced experts network
- Punctuality and responsibility of work
- Quality solution with 100% plagiarism free answers
- Time on Delivery
- Privacy of information and details
- Excellence in solving Digital electronics engineering questions in excels and word format.
- Best tutoring assistance 24x7 hours