Already have an account? Get multiple benefits of using own account!
Login in your account..!
Remember me
Don't have an account? Create your account in less than a minutes,
Forgot password? how can I recover my password now!
Enter right registered email to receive password!
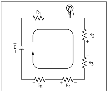
Polarities:
All voltages and currents have polarity as well as magnitude. Within a series circuit, there is only single current and its polarity is from the negative battery terminal by the rest of the circuit to the positive battery terminal. A Voltage drops across loads also have polarities. The simplest way to search these polarities is to use the direction of the electron current as a basis. Whereas, where the electron current enters the load, the voltage is negative Figure. This holds true regardless of the number or category of loads in the circuit. A drop across the load is opposite to that of the source. A voltage drops oppose the source voltage and decrease it for the other loads. This is since every load uses energy by leaving less energy for the other loads.
Get guaranteed satisfaction & time on delivery in every assignment order you paid with us! We ensure premium quality solution document along with free turntin report!
whatsapp: +91-977-207-8620
Phone: +91-977-207-8620
Email: [email protected]
All rights reserved! Copyrights ©2019-2020 ExpertsMind IT Educational Pvt Ltd