Megger:
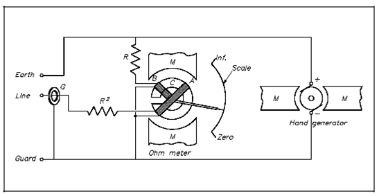
The megger is a portable instrument used to measure insulation resistance. A megger consists of a hand-driven DC generator and a direct reading ohm meter. The simplified circuit diagram of the instrument is shown in Figure.
The moving parts of the ohm meter consists of two coils, A and B, that are rigidly mounted to a pivoted central shaft and are free to rotate over a C-shaped core. These coils are linked through means of flexible leads. The moving element might point in any meter position while the generator is not in operation.
As current given through the hand-driven generator flows by Coil B, the coil will tend to set itself at right angles to the field of the permanent magnet. Along With the test terminals open, providing an infinite resistance, no current flows in Coil A. Thus, Coil B will govern the motion of the rotating element, causing it to move to the extreme counter-clockwise position that is marked as infinite resistance.

Figure: Simple Megger Circuit Diagram
Coil A is wound in a manner to gives a clockwise torque on the moving element. Along With the terminals marked "line" and "earth" shorted, providing a zero resistance, the current flow by the Coil A is sufficient to generate enough torque to overcome the torque of Coil B. A pointer then moves to the extreme clockwise position that is marked as zero resistance. Resistance (R1) will protect Coil A from excessive current flow in this condition.
While an unknown resistance is linked across the test terminals, line and earth, the opposing torques of Coils A and B balance each other so in which the instrument pointer comes to rest at a few point on the scale. The scale is calibrated such in which the pointer directly denotes the value of resistance being measured.