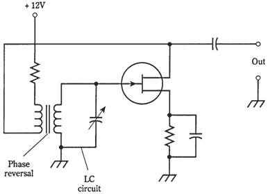
The Armstrong oscillator
A common emitter or common source amplifier can be made to oscillate by coupling output back to the input through a transformer which reverses the phase of the fed back signal. The phase at the transformer output is inverted by reversing the secondary terminals.The diagram of as shown in the shows a common source amplifier whose drain circuit is coupled to the gate circuit by means of a transformer. Practically getting oscillation is easy. If the circuit will not oscillate with the transformer secondary hooked up one way, you can simply switch the wires

Figure--An Armstrong oscillator.
The frequency of the oscillator can be controlled by means of a capacitor across the primary or the secondary winding of transformer. The inductance of winding, along with capacitance, forms a resonant circuit.The oscillator of figure given below is known as an Armstrong oscillator. Bipolar transistor is used in place of JFET. It is required to be biased, using a resistive voltage divider network, like a class-A amplifier.