Already have an account? Get multiple benefits of using own account!
Login in your account..!
Remember me
Don't have an account? Create your account in less than a minutes,
Forgot password? how can I recover my password now!
Enter right registered email to receive password!
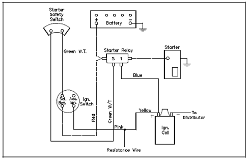
Wiring Diagram:
A wiring diagram is an extremely easy way to display wiring connections in a simple-to-follow manner. These categories of diagrams are generally found along with home appliances and automobile electrical systems shown in the figure. Wiring diagrams display the component elements in pictorial form, and the components are identified through name. Many wiring diagrams also display the relative location of component categories and color coding of conductors or leads.
Figure: Wiring Diagram
Get guaranteed satisfaction & time on delivery in every assignment order you paid with us! We ensure premium quality solution document along with free turntin report!
whatsapp: +91-977-207-8620
Phone: +91-977-207-8620
Email: [email protected]
All rights reserved! Copyrights ©2019-2020 ExpertsMind IT Educational Pvt Ltd