Zener breakdown voltage, Electrical Engineering

Assignment Help:

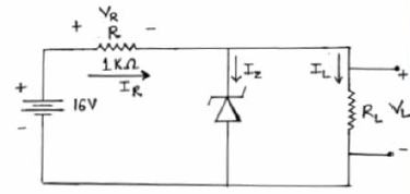
(a) For the Zener diode series voltage regulator shown in the Figure. calculate VL, IZ, VR and PZ for RL= 1.2 KΩ and repeat it for RL= 3 KΩ ?

Consider Zener breakdown voltage = 10 V and PZM = 30 mW

2488_Zener breakdown voltage.png

(b) Calculate Q point ( IC, VCE) for the network shown? Assume β = 75

109_Zener breakdown voltage1.png


Related Discussions:- Zener breakdown voltage

Merits and demerits of voltage divider bias, Merits and Demerits of Voltage...

Merits and Demerits of Voltage divider bias: Merits: 1. Not like the above circuits, only one dc supply is essential. 2. Operating point is approximately independent o

Give the significance of sim and rim instruction, Give the significance of ...

Give the significance of SIM and RIM instruction available in 8085. Instruction SIM: Set Interrupt Mask. This is a 1 byte instruction and can be used three dissimilar functio

Digital circuits, Digital circuits In analog  circuits,  we think  som...

Digital circuits In analog  circuits,  we think  something about  voltages on terminals ranging over natural values.  This provides us the freedom to make an enormous variety

Find the directive gain, Q. Aconical horn has a side viewas shown in Figure...

Q. Aconical horn has a side viewas shown in Figure  The maximum value ofthe directive gain is given by GD ∼ = 5.13(D/λ) 2 , where D =√3.33λL1 and L1 = L/(1-d/D),in which d is the i

Explain periodic signals and fourier series, Q. Explain Periodic Signals an...

Q. Explain Periodic Signals and Fourier Series? In the study of analog systems, predicting the response of circuits to a general time-varying voltage or currentwaveformx(t) is

What is a darlington pair, Q. What is a darlington pair?               ...

Q. What is a darlington pair?                             The Darlington circuit consists of two cascaded emitter followers with infinite emitter resistance in the first stage.

Variations of drain current - drain voltage, Q. Consider the common-source ...

Q. Consider the common-source JFET circuit shown in Figure with ?xed bias. Sketch the sinusoidal variations of drain current, drain voltage, and gate voltage superimposed on the di

Compute the required value, Q. In an AM transmitter that transmits a total ...

Q. In an AM transmitter that transmits a total power of 1 kW, the unmodulated carrier power is 850 W. Compute the required value of (S i /N i )AM at a receiver, if (S 0 /N 0 )AM

On state voltage drop - thyristor , On state  voltage  drop  It is...

On state  voltage  drop  It is  the maximum   instantaneous on state voltage  measured  under  pulse conditions to avoid  excessive dissipation at a particular junction  tem

Determine current for a bjt, Q. For a BJT with vBE = 0.7V, I CBO = 4 nA, ...

Q. For a BJT with vBE = 0.7V, I CBO = 4 nA, i E = 1 mA, and i C = 0.9 mA, evaluate α, iB,iSE, and β.

Write Your Message!

Captcha
Free Assignment Quote

Assured A++ Grade

Get guaranteed satisfaction & time on delivery in every assignment order you paid with us! We ensure premium quality solution document along with free turntin report!

All rights reserved! Copyrights ©2019-2020 ExpertsMind IT Educational Pvt Ltd