Single direction pump, Electrical Engineering

Assignment Help:

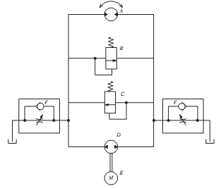
Modify the design of the circuit shown in FIGURE and draw a circuit diagram to provide rotary actuation in both directions using a single direction pump (to replace the bi-directional pump) and providing a means of preventing over-speeding in the case of an overhauling load in both directions.

1335_Single direction pump.png


Related Discussions:- Single direction pump

Ac link chopper - power supplies , AC Link Chopper This copper  has two...

AC Link Chopper This copper  has two  stage conversion. First DC is converted into AC  by the  use of inverter. The  magnitude of AC voltage is  varied  by the  transformer and

Show twos complement multiplication, 2's Complement Multiplication Two'...

2's Complement Multiplication Two's complement multiplication follows the similar rules as binary multiplication. For illustration, (-4) × 4 = (-16)              1111

What do you mean by communication channel, Q. What do you mean by communica...

Q. What do you mean by communication channel? The communication channel (transmissionmedium) is the physicalmediumthat is utilized to send the signal from the transmitter to th

Find the percent of probable error, Q. A voltmeter with a full scale of 100...

Q. A voltmeter with a full scale of 100 V has a probable error of 0.1% of full scale. When this meter is employed to measure 100 V, find the percent of probable error that can exis

Switching characteristics - power semiconductor devices , Switching Charac...

Switching Characteristics Switching  characteristics are also know  as dynamic or transient characteristics these  characteristics give  the information  about the  time  varia

Present and future trends in power systems, Q. Present and Future Trends in...

Q. Present and Future Trends in power systems? According to the Edison Electric Institute, electricity's share of U.S. primary energy was almost 36% in 1989, and it is likely t

Calculate the guage pressure, Questions: Part (a) A compressor inst...

Questions: Part (a) A compressor installed at a wharf (for loading container ships) is able to provide 6 bar.g pressure into the pressure receiver. The compressor is moved

Determine the admittance of the parallel combination, Q. The voltage across...

Q. The voltage across a parallel combination of a 100- resistor and a 0.1-µF capacitor is 10 cos(5000t +30°) V. Determine the admittance of the parallel combination and find the c

Actual loading method, Actual Loading Method This method is employed c...

Actual Loading Method This method is employed commonly for testing of single phase meters within laboratory. On a meter testing bench that is equipped along with several taps

Semiconductors, Why do potential barriers breaks when a breakdown voltage i...

Why do potential barriers breaks when a breakdown voltage is application to semiconductor

Write Your Message!

Captcha
Free Assignment Quote

Assured A++ Grade

Get guaranteed satisfaction & time on delivery in every assignment order you paid with us! We ensure premium quality solution document along with free turntin report!

All rights reserved! Copyrights ©2019-2020 ExpertsMind IT Educational Pvt Ltd