Minimize the logic function using NAND gate, Computer Engineering

Assignment Help:

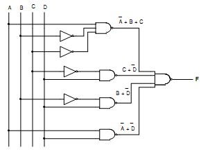
Minimize the logic function F(A, B, C, D) = ∑ m(1,3,5,8,9,11,15) + d(2,13) using NAND gate with help of K-map.

Ans. Realization of given expression by using NAND gates:

 In SOP form the minimized logic expression is F = A B‾ C‾ + C‾D + B‾D + AD, therefore the logic diagram for the simplified expression is shown in fig.

563_Minimize the logic function using NAND agte.png

Fig. Logic Diagram


Related Discussions:- Minimize the logic function using NAND gate

What is java awt, An AWT stands for Abstract Window Toolkit. AWT handles pr...

An AWT stands for Abstract Window Toolkit. AWT handles programmers to develop Java applications with GUI components, like windows, and buttons. The Java Virtual Machine (JVM) is re

Multi-operating systems, The assignment enhances the acquisition of new kno...

The assignment enhances the acquisition of new knowledge through reading, research and practical work in class and at home. It requires critical thinking applied to real life tasks

State about the firewalls - intranet, Firewalls While getting one fire...

Firewalls While getting one firewall for the company's Intranet it should be well known that firewalls come in both hardware and software forms, and that even though all firew

Program accept decimal number and convert it into given base, Q Develop a p...

Q Develop a program that accepts decimal number and converts it into given base. Fractional numbers are allowed and negative numbers are not allowed. Also check that entered number

Define b2b - business to business, B2B - Business to Business  It is a...

B2B - Business to Business  It is a mode of conducting business among two or more companies over the Internet, rather than more traditional modes like as telephone, mail, and f

Explain approaches to identify free memory area in a heap, Discuss two main...

Discuss two main approaches to identify free memory area in a heap. Two popular systems to identify free memory areas as a result of allocation and de-allocations in a heap are

Block format and disk layout on cd-rom, Q. Block Format and Disk Layout on ...

Q. Block Format and Disk Layout on CD-ROM? A typical block format is displayed in Figure (a). It comprises the subsequent fields: Sync: Sync field identifies beginning o

Develop website for my party venue- hall rental website, Project Descriptio...

Project Description: I want to prepare website for my party venue where i can post the photos and detail of place along with availability calendar. In future, I buy some more ha

How are the instructions provided to computer, Let's answer our second ques...

Let's answer our second question first. All computers have a Unit which performs arithmetic and logical functions. This Unit is called as Arithmetic and Logic Unit (ALU). However h

State and prove demorgan’s first theorems, State and prove Demorgan’s First...

State and prove Demorgan’s First theorems: Ans. Statement of First Theorem of De Morgan: = A‾. B‾   Proof: The two sides of the equation i.e. = is represented with logic

Write Your Message!

Captcha
Free Assignment Quote

Assured A++ Grade

Get guaranteed satisfaction & time on delivery in every assignment order you paid with us! We ensure premium quality solution document along with free turntin report!

All rights reserved! Copyrights ©2019-2020 ExpertsMind IT Educational Pvt Ltd