Mid band voltage gain, Electrical Engineering

Assignment Help:

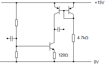
For the amplifier circuit shown below estimate the mid band voltage gain if the EARLY voltage (VA) of the current mirror transistors is 80 volts.  Assume the d.c biasing is optimised.

309_mid band voltage gain.png


Related Discussions:- Mid band voltage gain

What is effect of temperature on semiconductor conductivity, What is the ef...

What is the effect of temperature on conductivity of semiconductor? Electrical conductivity of semiconductor changes appreciably along with temperature changes. At absolute zer

Explain the term assembler directives, Explain the term assembler directive...

Explain the term assembler directives. An assembler directive is a statement to provide direction to the assembler to execute the task of assembly process. These assembler dire

What is the use of ale, What is the use of ALE The ALE is used to latch...

What is the use of ALE The ALE is used to latch the lower order address so that it can be available in T2 and T3 and used for identify the memory address. During T1 the ALE goe

Carry flag - sub subtract instruction , Carry Flag CY is  reset  as e...

Carry Flag CY is  reset  as explained  above.  ( in chapter 1 we have  sen in the 2 complement  methods of subtraction that  the carry  is set  when the result is positive. He

Determine the output voltage increment, (a) Design a 6-bit R-2 R ladder D/A...

(a) Design a 6-bit R-2 R ladder D/A converter. (b) For V ref = 10 V, find the maximum output voltage. (c) Determine the output voltage increment. (d) If the output voltag

Explain about the typical embedded system hardware unit, Explain about the ...

Explain about the typical embedded system hardware unit. Typical Embedded System Hardware Unit: Program Flow and data path Control Unit (CU): comprises a fetch unit for fetc

Solar steam power generator, This project is about another particular appli...

This project is about another particular application of a particular embodiment of the patent: A Long Stroke Steam Engine using Solar Generated Steam. The machine elements such as

Explain index mode and base address mode, Explain index mode and base addre...

Explain index mode and base address mode (with examples) available in microprocessors. Index Mode and Base Address Mode: Address supplied through the instruction is adde

Modern AC Generators, What are the advantages of modern ac generators and I...

What are the advantages of modern ac generators and Integrated Drive Generators? There are two questions here. I''d really like it if somebody could help me. I''m an AE student.

Steps to develop microprocessor based computer system, Explain in brief ste...

Explain in brief steps to develop a Microprocessor based computer system. The design of a microcomputer system should begin with the CPU module. It modules establishes the fund

Write Your Message!

Captcha
Free Assignment Quote

Assured A++ Grade

Get guaranteed satisfaction & time on delivery in every assignment order you paid with us! We ensure premium quality solution document along with free turntin report!

All rights reserved! Copyrights ©2019-2020 ExpertsMind IT Educational Pvt Ltd