Low on the data-input line, Computer Engineering

Assignment Help:

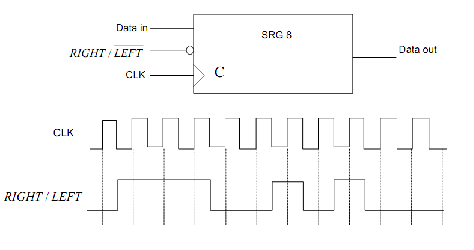
For the 8-bit bidirectional register in Figure 3, verify the status of the register after every clock pulse for the LEFT RIGHT /control waveform given. A HIGH on this input permits a shift to the right, and a LOW permits a shift to the left. Assume that the register is initially storing the decimal number seventy-six in binary, with the right-most position being the LSB. There is a LOW on the data-input line.

1808_Untitled.png


Related Discussions:- Low on the data-input line

Technical Support Engineer, I''m seeking a challenging professional working...

I''m seeking a challenging professional working position in the field of Information Technology,where I’ll be given the chance to enhance & expand the skills & experience

Creates a grid-matrix of cells, 1. Write the function makegrid. This functi...

1. Write the function makegrid. This function accepts a width and height and creates a grid/matrix of cells. The width gives the number of columns and the height the number of rows

What is the purpose of putchar function, What is the purpose of putchar fun...

What is the purpose of putchar function Putchar writes one character to the standard output file, stdout. Syntax #include int putchar(int c); The putchar macro wr

Can we run dot.net in unix platform, Can we run DOT.NET in UNIX platform? ...

Can we run DOT.NET in UNIX platform? One of the drawbacks of using Visual Studio.NET and the .NET framework to develop applications has been the lack of cross-platform support

What methods can be overridden in java, In C++ terminology, all public meth...

In C++ terminology, all public methods in Java are virtual. Thus, all Java methods can be overwritten in subclasses except those that are declared final, private and static.

How can i model a bi-directional net, How can I model a bi-directional net ...

How can I model a bi-directional net with assignments influencing both source and destination? Assign statement constitutes a continuous assignment. Changes on the RHS of stat

Explain approaches to identify free memory area in a heap, Discuss two main...

Discuss two main approaches to identify free memory area in a heap. Two popular systems to identify free memory areas as a result of allocation and de-allocations in a heap are

How to reduce total amount of disk space in ftp, Q. How to reduce total amo...

Q. How to reduce total amount of disk space in FTP? FTP service compress files to reduce total amount of disk space the files require. Before transferring a file user should te

Difference between data warehousing and data mining, What is the difference...

What is the difference between data warehousing and data mining? The dissimilarity between data warehousing and data mining: Data warehousing seems to the data storage wh

Architecture of world wide web with the basic entities, Explain architectur...

Explain architecture of World Wide Web with the basic entities. The architecture of the World Wide Web, demonstrated below, is the one of clients, as like Netscape, Lynx or Int

Write Your Message!

Captcha
Free Assignment Quote

Assured A++ Grade

Get guaranteed satisfaction & time on delivery in every assignment order you paid with us! We ensure premium quality solution document along with free turntin report!

All rights reserved! Copyrights ©2019-2020 ExpertsMind IT Educational Pvt Ltd