Implementation of a simple arithmetic, Computer Engineering

Assignment Help:

Q. Implementation of a Simple Arithmetic?

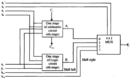
So, by now we have concerned how logic and arithmetic micro-operations can be applied individually. If we combine these 2 circuits along with shifting logic then we may have a possible simple structure of ALU. Basically ALU is a combinational circuit whose inputs are contents of specific registers. ALU performs desired micro-operation as decided by control signals on input and places results in an output or destination register. Whole operation of ALU can be performed in a single clock pulse as it's a combinational circuit. Shift operation can be performed in a separate unit however sometimes it can be made as a part of overall ALU. The following diagram gives a simple structure of one stage of an ALU. 

2018_Implementation of a Simple Arithmetic.png

One stage of ALU with shift capability

Please note that in this diagram we have given reference to two previous figures for arithmetic and logic circuits. This phase of ALU has two data inputs; the ith bits of registers to be manipulated. But the (i - 1)th or (i+1)th bit is also fed for case of shift micro-operation of only one register. There are 4 selection lines that determine what micro-operation (arithmetic, logic or shift) on the input. The Fi is resultant bit after desired micro-operation. Let's see how value of Fi changes on the foundation of four select inputs. This is displayed in Figure below:

Please note that in Figure below arithmetic micro-operations have both S3 and S2 bits as zero. Input Ci is significant for only arithmetic micro-operations. For logic micro-operations S3, S2 values are 01. Values 10 and 11 cause shift micro-operations.

For this shift micro-operation S1 and S0 values and Ci values don't play any role. 

950_Implementation of a Simple Arithmetic1.png

Figure: Micro-operations performed by a Sample ALU


Related Discussions:- Implementation of a simple arithmetic

Write a short note on mmx technology, Write a short note on MMX technology....

Write a short note on MMX technology. MMX (Multimedia extensions) technology adds 57 new instructions to instruction set of the Pentium - 4 microprocessors. MMX technology also

Face scanning security system - biometric, Face Scanning Security System - ...

Face Scanning Security System - Biometric Computer Security Systems Finally, face scanning security system are also one of biometric technologies. Generally, the principle of

What is asynchronous reset, What is Asynchronous Reset? Asynchronous re...

What is Asynchronous Reset? Asynchronous reset: The biggest problem along with asynchronous resets is the reset release, which termed as reset removal. By using an asynchron

Automatic stock control system in a supermarket, Automatic Stock Control Sy...

Automatic Stock Control System in a Supermarket -  Bar codes are associated to all goods/items sold by the supermarket as a means of identification -  Every bar code is asso

What is redundant array of independent disks, What is Redundant Array of In...

What is Redundant Array of Independent Disks? Researchers are constantly trying to improve secondary storage media by raising their, performance, capacity as well as reliabilit

Object oriented and structured oriented programming, What is the difference...

What is the difference among object oriented and structured oriented programming? Ans) ? Object Oriented means programme will be there in terms of Class and Object connection w

Explain pass-1 algorithm of passes used in two-pass-assemble, Explain pass-...

Explain pass-1 algorithm of passes used in two-pass assembler? Pass I: (i) Separate the symbol, operand fields and mnemonic opcode (ii) Make the symbol table (iii)

Explain about control memory organization, Q. Explain about Control Memory ...

Q. Explain about Control Memory Organization? One of the simplest ways to organize control memory is to organize micro-instructions for different sub cycles of machine instruct

List-processing without using suppress-dialog, What happens if we use Leave...

What happens if we use Leave to list-processing without using Suppress-Dialog? If we don't use Suppress-Dialog to next screen will be viewed but as empty, when the user presse

Page translation table, Make a page translation table the meets the require...

Make a page translation table the meets the requirements of the virtual memory system given below.  Suppose page (and frame) sizes of 20 with pages 0 by 3 in logical memory and fra

Write Your Message!

Captcha
Free Assignment Quote

Assured A++ Grade

Get guaranteed satisfaction & time on delivery in every assignment order you paid with us! We ensure premium quality solution document along with free turntin report!

All rights reserved! Copyrights ©2019-2020 ExpertsMind IT Educational Pvt Ltd