How transmission bridges help in satisfying the connectivity, Computer Engineering

Assignment Help:

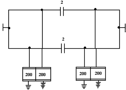
How do transmission bridges help in satisfying the connectivity?

A usual transmission bridge is demonstrated in figure. The series capacitance and the shunt inductances of the two relays give a high-pass filter to transmit the AC speech signals, whereas the relays respond separately to the DC loop/disconnect signals by the calling and called customer.

1006_Transmission Bridge.png

FIG - Transmission Bridge


Related Discussions:- How transmission bridges help in satisfying the connectivity

Strings made of left curly braces, In a logical system, a judgement is a st...

In a logical system, a judgement is a statement that is either true or false. So far, you are most familiar with the type of judgement "A is true", which is often simply abbreviate

High level language program characteristics, Q. High Level Language Program...

Q. High Level Language Program Characteristics? So it is clear that new architectures must support high-level language programming. A high-level language system can be implemen

Brief explanation of all elements in activity diagrams, ? Activities: An ac...

? Activities: An activity shows an action that performed in the system. ? Transitions: Transitions are shown by open arrow heads. Transitions are used to specify the flow among

What is object orientation, What is object orientation? Object orientat...

What is object orientation? Object orientation means that we classify software as a collection of discrete objects that incorporate with together DS and behaviour. Four aspe

Explain passing parameters in general memory, Q. Explain Passing Parameters...

Q. Explain Passing Parameters in General Memory? The parameters can be passed in the memory too. In such a technique name of the memory location is used as a parameter. The res

Explain the regular expression and transition diagram, State the relation a...

State the relation among Regular Expression, Transition Diagram and Finite State Machines. By using a simple instance establish your claim.   Answer: For each regular language,

How the conversation speed of A/D converter is maximum, The conversation sp...

The conversation speed of an analog to digital converter is maximum with which technique? Ans. With parallel comparator AD converter technique the conversation speed of an ana

Database management system, Consider the following instance of the Students...

Consider the following instance of the Students relation, sorted by gpa. sid name login age gpa 53831 Madayan madayan@music 11 1.8 53832 Guldu guldu@music 12 2.0 53688 Smith smith

State about agp, State about AGP The latest addition to many computer s...

State about AGP The latest addition to many computer systems is the inclusion of accelerated graphics port (AGP). AGP operates at the bus clock frequency of the microprocessor.

Drawback of the system using disk caching, Q. Drawback of the system using ...

Q. Drawback of the system using disk caching? The main drawback of the system using disk caching is risking loss of updated information in event of machine failures like loss o

Write Your Message!

Captcha
Free Assignment Quote

Assured A++ Grade

Get guaranteed satisfaction & time on delivery in every assignment order you paid with us! We ensure premium quality solution document along with free turntin report!

All rights reserved! Copyrights ©2019-2020 ExpertsMind IT Educational Pvt Ltd