Four quadrant chopper or class e chopper , Electrical Engineering

Assignment Help:

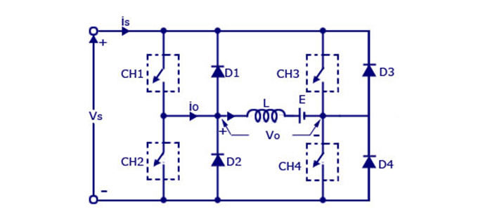
Four  Quadrant Chopper or Class E chopper

 

2023_four  quadrant chopper.PNG

                                                                 Figure class E chopper circuit

 Mode I

When SW1  is ON  with SW4 V0 = Vs and load current  flows  as shown  in figure  when SW1 is OFF  V0 = 0  but current  will continuously be flowing  through  SW$ and diode  D2. Here both V0 and I0 will be positive hence it is first quadrant operation as shown  in figure.

Mode II

When SW2  is ON  with diode D4 V0= 0 but the  direction of current  will be  negative.  When SW2  is OFF diode D1  and D4  will be conducting  in this period  power flows  from load  to source  because V0 = E+ L di/dt exceeds Vs. Hence  Vo is positive  but current  is negative. This give the  second  quadrant operation as  show in figure.

Mode III

In this  mode the  polarity off must  be reverses so that  third  quadrant operation can be  obtained. Now  when SW2 is ON with SW2 , V0 = -Vs and  current will  be flowing in reverse direction. Both  Vo  and Io  will be  negative. When SW3 is OFF D2 will conduct with  SW2 therefore  both V0 and Io  will be  negative. Hence third  quadrant operation is obtained.

Mode IV

Diode D2  must be  conducting  with SW4 On E  have opposite polarity to that shown in figure  now the  voltage  V0= 0  whenSW4 is ON  and  current  10 will be  positive  when SW4 is OFF V0 will be  negative but current  remains in  same  direction. In this condition power  flows  from load to source and  V0 = -( E+ L di/dt) exceeds Vs.

 


Related Discussions:- Four quadrant chopper or class e chopper

Reasons for the augmentation of electromagnetic radiation, Question: Ge...

Question: General EMC Knowledge (a) Give 2 reasons for the augmentation of electromagnetic radiation in urban regions. (b) Pointe aux Diable bears its name due to the a

Salient features of nep, Salient Features of NEP: Access to electrici...

Salient Features of NEP: Access to electricity: The policy not only envisages access to electricity for all but it also emphasizes in which all consumers, particularly t

Explain lithography, Explain Lithography. Lithography - This is one ...

Explain Lithography. Lithography - This is one of the processes which is carried out throughout manufacture of integrated circuits. Silica oxide (SiO 2 ) layer is thermally

Digital frequency metre, what is digital frequency metre?working principle ...

what is digital frequency metre?working principle its operation and types application,advantages ,disadvantages

Ldst, Design a logic circuit with 4 inputs A, B, C & D that will produce o...

Design a logic circuit with 4 inputs A, B, C & D that will produce output ‘1’ only whenever two adjacent input variables are 1’s. A & D are also to be treated as adjacent, impleme

3rd year electrical/electronics project, I`m a 3rd year electrical engineer...

I`m a 3rd year electrical engineering student studying in Canada, and there is a new course they added in my university for 3rd year students called Engineering Project. from the

Explain about folded network, Q. Explain about Folded network? Folded ...

Q. Explain about Folded network? Folded network: When all the outlets/inlets are connected to the subscriber lines, logical connection appears as displayed in figure. In this

Calculate the evaporation using penmans method, (a) Average rainfall during...

(a) Average rainfall during the month of January is found to be R mm. A Class A pan evaporation recorded an average of [7 + ( R /100)] mm/day near an irrigation reservoir. The av

Explain ferroelectricity, Explain ferroelectricity. Ferroelectricity: ...

Explain ferroelectricity. Ferroelectricity: - Materials of ferroelectric have a high dielectric constant that is non-linear that is, this depends to a considerable extent on t

Factors involved in the voltage build up of shunt generator, Q.   List and ...

Q.   List and explain the factors involved in the voltage build up of shunt generator. Ans. following factors are involved in voltage build up of shunt generation

Write Your Message!

Captcha
Free Assignment Quote

Assured A++ Grade

Get guaranteed satisfaction & time on delivery in every assignment order you paid with us! We ensure premium quality solution document along with free turntin report!

All rights reserved! Copyrights ©2019-2020 ExpertsMind IT Educational Pvt Ltd