Find the thevenin equivalent of the circuit, Electrical Engineering

Assignment Help:

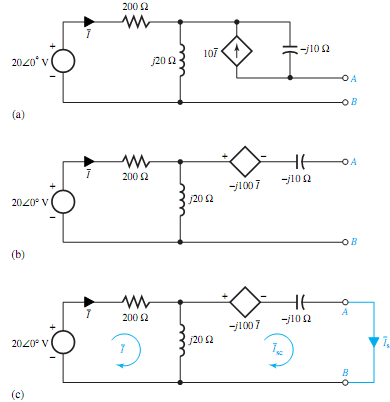
(a) Find the Thevenin equivalent of the circuit shown in Figure (a) at the terminals A-B.

(b) Determine the impedance that must be connected to the terminals A-B so that it is matched.

(c) Evaluate the maximum power that can be transferred to the matched impedance at the terminals A-B.

1654_Find the Thevenin equivalent of the circuit.png


Related Discussions:- Find the thevenin equivalent of the circuit

Determine vout and the power supplied, Q. An operational amplifier stage is...

Q. An operational amplifier stage is typically represented by the circuit of Figure. For the values given, determine V out and the power supplied by the 2.5-V source.

Compare memory mapped i/o with i/o mapped i/o, Compare memory mapped I/O wi...

Compare memory mapped I/O with I/O mapped I/O. Memory Mapped I/O Scheme: In this type of scheme there is merely one address space. These address space is explained as all p

What are difference equations, What are Difference Equations? A continu...

What are Difference Equations? A continuous-time system can be described by differential equations. Likewise, a discrete-time system can be explained by difference equations. T

If a single phase motor fails to run, Q. If a single phase motor fails to r...

Q. If a single phase motor fails to run or start slow what action to be taken. Ans: If it is not starting check the supply and test the winding if it found normal check

Earthing in electricity and gas hazards, Earthing : Any electrical applian...

Earthing : Any electrical appliance with a metal casing or with metal parts, likely to be touched by an operator is potentially dangerous. The danger is that an internal or extern

Find the slip and the rotor frequency at full load, Q. A three-phase, 50-Hz...

Q. A three-phase, 50-Hz induction motor has a full load speed of 700 r/min and a no-load speed of 740 r/min. (a) How many poles does the machine have? (b) Find the slip and t

What is a coprocessor, What is a coprocessor? It is a specially designe...

What is a coprocessor? It is a specially designed microprocessor which take care of mathematical calculations including integer and floating point data .it is intended to work

Describe the magnetic effects of current, 1.   Describe the magnetic effe...

1.   Describe the magnetic effects of current? ( to achieve a pass grade, describe the magnetic effect of current) 2.   Complete the diagram to show the direction of mo

Working of spectrum analyzer and its applications, Q.  Explain the working...

Q.  Explain the working of spectrum analyzer and its applications. OR Draw block diagram of spectrum analyzer and explain its operation write down its importance applica

Insulators, various types of electrical insulators used in electrical engin...

various types of electrical insulators used in electrical engineering

Write Your Message!

Captcha
Free Assignment Quote

Assured A++ Grade

Get guaranteed satisfaction & time on delivery in every assignment order you paid with us! We ensure premium quality solution document along with free turntin report!

All rights reserved! Copyrights ©2019-2020 ExpertsMind IT Educational Pvt Ltd