Explain the working of a weighted register d/a converter, Computer Engineering

Assignment Help:

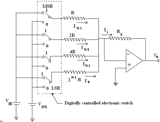
With the help of a neat diagram, explain the working of a weighted-resistor D/A converter.

Ans

Weighted Register D/A Converter:

 

2123_Weighted Register.png

Digital input that has 4 bits is applied to a register network throughout electronic switch. Such electronic switch generates current I at MSB (consequent to Logic 1), I/2 at the subsequent lower significant position. The whole current produced will be proportional to digital input. Such current can be converted to consequent voltage by using an op-ampere. Circuit of this convertor is referred to as weighted register converter because the resistance values are weighted in accordance along with the binary weights.

The current Ii is specified by

Ii = IN-1 + I N-2 + ........+ I0 where  IN-1 = VN-1/ R, IN-2 = VN-2/ 2R, IN-3 = VN-3/4 R and also V(O) if bn = 0 and VN = V(1) if bn = 1

For straight binary inputs V(0) = 0 and V(1) = - VR and the output voltage is specified by:

V0 = -[-VR] [(RF/R) bn-1 +(RF/2n ) bn-1 +(RF/22R) bn-1 +_______________(RF/2n-1R) b0]


Related Discussions:- Explain the working of a weighted register d/a converter

What is a good resolution, Q. What is a good resolution? In fact it rel...

Q. What is a good resolution? In fact it relies on your hardware. Hence it's the maximum your hardware can allow you.  But one odd-looking resolution that has become popular is

Classifier with classes, Consider one versus the rest voting used for class...

Consider one versus the rest voting used for classifier with three classes {a, b, c}. Given a row of data denoted as x0 suppose that the classifier for a versus the rest predicts t

Explain about microprocessors, Q. Explain about Microprocessors? Microp...

Q. Explain about Microprocessors? Microprocessors have instruction sets ranging from 20 to several hundred instructions, known as microprograms, which are stored in ROM to init

What is the function of a data element, What is the function of a data elem...

What is the function of a data element? A data element defines the role played by a domain in a technical context.  A data element having of semantic information.

Define print resolution of printers, Q. Define Print Resolution of printers...

Q. Define Print Resolution of printers? Print Resolution is the detail which a printer can give considered by how many dots a printer can put in each inch of paper.  So the uni

Features of mpi-1, Features of MPI-1 Binding for FORTRAN and C ...

Features of MPI-1 Binding for FORTRAN and C Collective communication Communication domains and Process groups Point-to-point communication Virtual process

What are the different sections of a report, What are the different section...

What are the different sections of a report? A report is categorized into many sections: The Report header: In this you place a control which must appear only at the startin

What are the properties of electronic cash, What are the properties of elec...

What are the properties of electronic cash? Properties: 1. Monetary Value: Monetary value should be backed by bank certified cashier’s cheque or cash, bank authorized cred

Instruction queue in bus interface unit, Q. Instruction Queue in Bus Interf...

Q. Instruction Queue in Bus Interface Unit? Instruction queue is employed to store the instruction ‘bytes' fetched. Please conceren two points here: that it's (1) A Byte (2) Qu

System software, System Software System software is a group of progr...

System Software System software is a group of programs written to service another programs. Some system software (e.g., compilers editors and file management utilities) proc

Write Your Message!

Captcha
Free Assignment Quote

Assured A++ Grade

Get guaranteed satisfaction & time on delivery in every assignment order you paid with us! We ensure premium quality solution document along with free turntin report!

All rights reserved! Copyrights ©2019-2020 ExpertsMind IT Educational Pvt Ltd