Explain about registers, Computer Engineering

Assignment Help:

Q. Explain about Registers?

A register is a group of flip-flops that store binary information and gates that controls when and how information is transferred to register. An n-bit register contains n flip-flops and stores n-bits of binary information. Two fundamental types of registers are: Shift register and Parallel registers.

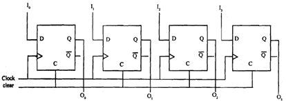
A parallel register is one of simplest registers comprising a set of flip-flops which can be read or written concurrently. Figure demonstrates a 4-bit register with parallel input-output. Signal lines Io to I3 inputs to flip-flops that may be output of other arithmetic circuits such as multipliers so that data from different sources can be loaded in the register. It has one extra line known as clear line that can clear register completely.  This register is known as a parallel register as all bits of register can be loaded in a single clock pulse.  

778_Explain about Registers.png

Figure: 4-bit parallel register

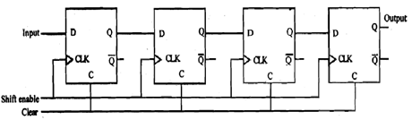
A shift register is used for shifting data to left or right. A shift register operates in serial input-output mode it implies that data is entered in register one bit at a time from one end of register and can be read from other end as one bit at a time. Figure below demonstrates a 4-bit right shift register employing D logical shift functions.

568_Explain about Registers1.png

Figure: 4-bit right - shift register


Related Discussions:- Explain about registers

What is a cooperation model, What is A cooperation model A cooperation ...

What is A cooperation model A cooperation model defines the way interdependencies are established by cooperative interactions. We recognize two basic roles services can play: c

Determine the implementation of jit inventory system, Discuss in detail the...

Discuss in detail the features, benefits and implementation of JIT inventory system. JIT - Just in Time inventory systems - meaning, origin, need for JIT, benefits, Use of JIT

Multi-threaded processors, Multi-Threaded Processors In unit 2, we have...

Multi-Threaded Processors In unit 2, we have gone through the use of distributed shared memory in parallel computer architecture. Although the use of distributed shared memory

Ms access database to a present conversion, I have converted my MS Access d...

I have converted my MS Access database to a present conversion. I am getting conversion errors? Ans) Design specs have changed in new releases of MS Access. Visit the on-line

Discuss in brief the history of e-commerce, Discuss in brief the history of...

Discuss in brief the history of E-Commerce. History of E-commerce illustrated below: E-commerce began before personal computers were prevalent and has grown into a multibill

Additions of numbers by using 2’s complement, Add +25 to -15 by using 2's c...

Add +25 to -15 by using 2's complement ? Ans. Firstly convert the numbers 25 and 15 in its 8-bit binary equivalent and determine the 2's complement of 15, after that add +25 to -

Address - operand data types, Q. Address - operand data types? A...

Q. Address - operand data types? Addresses : Operands residing in memory are specified by their memory address while operands residing in registers are specified by a re

Explain the generic framework for electronic commerce, Explain the generic ...

Explain the generic framework for electronic commerce along with suitable diagram? Generic Framework for electronic commerce comprises the Applications of EC (as like banking,

What are the digital certificates of hardware computations, What are the Di...

What are the Digital certificates of hardware computations Digital certificates are highly dependent on hardware computations, it is essential that mechanisms are evolved to i

Public key infrastructure solutions, Public Key Infrastructure solutions ...

Public Key Infrastructure solutions The use of public-key based security systems requires great attention and due care in design and management of security features. The secur

Write Your Message!

Captcha
Free Assignment Quote

Assured A++ Grade

Get guaranteed satisfaction & time on delivery in every assignment order you paid with us! We ensure premium quality solution document along with free turntin report!

All rights reserved! Copyrights ©2019-2020 ExpertsMind IT Educational Pvt Ltd