Determine the pressure point for hydrostatic force, Mechanical Engineering

Assignment Help:

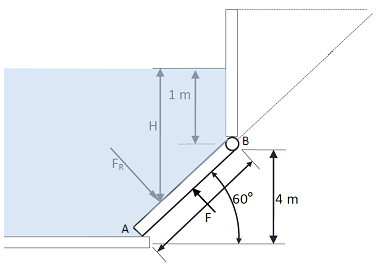
The 300 kg, 8-m-wide rectangular gate shown in the figure is hinged at B and leans against the floor at A making an angle of 60° with the horizontal. The gate is to be open from its lower edge by applying force a normal force at its centre. Determine the minimum force, F required to open the gate and determine the pressure point for the hydrostatic force.

1512_Determine the Pressure Point for Hydrostatic Force.png


Related Discussions:- Determine the pressure point for hydrostatic force

Surface modeling, SURFACE MODELING: The process of modeling is built m...

SURFACE MODELING: The process of modeling is built much easier for a mathematical description of an object or at least on a part of the object might be applied. Surfaces might

State the main advantage of using master pages, Problem: (a) InDesign ...

Problem: (a) InDesign is known as a common software for designers mainly used for publication of newspapers, magazines and other editorial design artworks. The Master page fe

Ancillary railway structures, Ancillary Railway Structures: Overhe...

Ancillary Railway Structures: Overhead Transmission Lines When the line is electrified, the electric loco has to pick up the electric current from a cable that runs

Describe mould surface coating, Describe Mould Surface Coating? Mould...

Describe Mould Surface Coating? Mould surfaces are coated (after the pattern is drawn out) with certain materials possessing high refractoriness. It eliminates the poss

Find the maximum shear stress at free end, Find the maximum shear stress at...

Find the maximum shear stress at free end: A stepped shaft ABCD, with A is fixed end and D is free end. AB = 1 m, BC = 2 m, CD = 1 m. AB is a hollow shaft of 100 mm outer diam

Find out the strain energy stored, Find out the strain energy stored: ...

Find out the strain energy stored: A close coiled spring is subjected into an axial moment of 16 N-m. If the spring contains 15 coils with wire diameter of 10 mm and mean coil

Working of gasifier combined cycle power plant, With the help of a neat dia...

With the help of a neat diagram illustrate the working of Gasifier combined cycle power plant. Describe with the help of neat diagram the working of Pressurised water reactor nu

What is tantalum, Q. What is Tantalum? Tantalum is one of the most corr...

Q. What is Tantalum? Tantalum is one of the most corrosion-resistant metals known. However, the high cost of tantalum has limited its commercial use as an all-purpose corrosio

Electrical science, explain ways of representing alternative quantities;1)p...

explain ways of representing alternative quantities;1)phasor representation 2)graphical representation 3)complex waves 4)addition and subtraction of sine wave

Ratio of applied stress and yield stress, Ratio of applied stress and yield...

Ratio of applied stress and yield stress: What should be the ratio of applied stress, s, to yield stress s Y in a large thin plate so that plastic spread along lint of crack

Write Your Message!

Captcha
Free Assignment Quote

Assured A++ Grade

Get guaranteed satisfaction & time on delivery in every assignment order you paid with us! We ensure premium quality solution document along with free turntin report!

All rights reserved! Copyrights ©2019-2020 ExpertsMind IT Educational Pvt Ltd