Determine the mmf of the exciting coil, Electrical Engineering

Assignment Help:

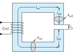
Q. For themagnetic circuit shown in Figure, neglecting leakage and fringing, determine the mmf of the exciting coil required to produce a flux density of 1.6 T in the air gap. Thematerial is M-19. The dimensions are lm1 = 60 cm, Am1 = 24 cm2 , lm2 = 10 cm, Am2 = 16 cm2 , lg = 0.1 cm, and Ag = 16 cm2.

1915_Determine the mmf of the exciting coil.png


Related Discussions:- Determine the mmf of the exciting coil

Simple harmonic motion, what is the application of simple harmonic motion i...

what is the application of simple harmonic motion in electrical engineering?

Explain graphic adapter and monitor, Explain graphic adapter and monitor. ...

Explain graphic adapter and monitor. Video card changes digital output from the computer in an analog video signal and sends the signal by a cable to the monitor also termed a

Compute the efficiency of the transformer, Q. These data were obtained from...

Q. These data were obtained from tests carried out on a 10-kVA, 2300:230-V, 60-Hz distribution transformer: • Open-circuit test, with low-voltage winding excited: applied voltag

Explain ionic polarization, Explain i onic polarization. Ionic polari...

Explain i onic polarization. Ionic polarization is polarization that is caused by relative displacements between negative and positive ions in ionic crystals (for illustrati

Sketch the output waveform for the synchronous counter, Q. Consider a serie...

Q. Consider a series-carry synchronous counter with T flip-flops shown in Figure in which the AND gates carry forward the transitions of the flip-flops, thereby improving the speed

Parabola by offset method, how many points are required to make an parabola...

how many points are required to make an parabola in offset method when vertical point has 4 points

Input output operations , Input Output Operations Many times microproc...

Input Output Operations Many times microprocessor has to  accept data  from input port and send data to  output  port to  interact with the  real world. Input  port is  tri st

Geometric transformations, Geometric transformations   Apply the foll...

Geometric transformations   Apply the following geometric transformation to a set of points. Generate randomly coordinates for 1 point X=(x,y). X=100*rand(2,1) x=X(1,1)%to

Static v- i characteristics, Static V- I Characteristics The  static V-...

Static V- I Characteristics The  static V- I  characteristics of power diodes is shown  in figure 1.2  when the  anode is made  positive with  respect to cathode the power  dio

Explain open loop control systems, Explain Open Loop Control Systems In...

Explain Open Loop Control Systems In an open-loop control system, the controller independently computes exact voltage or current required by the actuator to do the job and send

Write Your Message!

Captcha
Free Assignment Quote

Assured A++ Grade

Get guaranteed satisfaction & time on delivery in every assignment order you paid with us! We ensure premium quality solution document along with free turntin report!

All rights reserved! Copyrights ©2019-2020 ExpertsMind IT Educational Pvt Ltd