Determine the charge on each capacitor, Physics

Assignment Help:

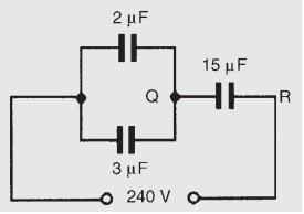
For the arrangement shown in Figure find

(a) the equivalent capacitance of the circuit,

(b) the voltage across QR, and

(c) the charge on each capacitor

 

879_physics.png


Related Discussions:- Determine the charge on each capacitor

What is maser, Q. What is Maser? Give the principle of it. 1) The term...

Q. What is Maser? Give the principle of it. 1) The term MASER for Microwave Amplification through Stimulated Emission of Radiation. 2) The working of maser is similar to th

What is the angular acceleration, The merry-go-round described in the previ...

The merry-go-round described in the previous problem is pushed with a constant force of 53 N. What is the angular acceleration?

Explain the types of polymorphism, Explain the types of polymorphism In...

Explain the types of polymorphism In terms of  thermodynamics, there are two kinds of polymorphism. For a monotropic system, a plot of the free energy of the various polymorphs

Tunnel diode: its construction and working, A tunnel diode is a highly cond...

A tunnel diode is a highly conductively two terminal P-N junction doped heavily about 1000 layer width is a high conductively two terminal conventional diode. Because of heavy dopi

Equations of linear motion for uniform acceleration, Given a particle movin...

Given a particle moving along a straight line with fixed acceleration a. Let u be the initial velocity of the particle and v be the velocity at time t. So by definition,

Young modules, to measure the extension of an experimental wire due to diff...

to measure the extension of an experimental wire due to different pulling forces using searle''s apparatues.hence, determine the young modules of the material of the wire.

What is dispersion, What is dispersion? Dispersion within optics consi...

What is dispersion? Dispersion within optics consider as the change in phase velocity of an electromagnetic wave along with wavelength. Conversely, when there is a variation o

Fringes in youngs double slit experiment, How does the distance between fri...

How does the distance between fringes in Young's double slit experiment change. a) If the colour of the light is changed from red to blue? b) If the slit separation is incre

Explain synchronous condensers, Synchronous Condensers: A synchronous moto...

Synchronous Condensers: A synchronous motor takes a leading current when over-excited and thus behaves as a capacitor. An over-excited synchronous motor running on no load is call

Define laplace correction, He customized Newton's formula suppose that prop...

He customized Newton's formula suppose that propagation of sound in gaseous medium is adiabatic process. For adiabatic method

Write Your Message!

Captcha
Free Assignment Quote

Assured A++ Grade

Get guaranteed satisfaction & time on delivery in every assignment order you paid with us! We ensure premium quality solution document along with free turntin report!

All rights reserved! Copyrights ©2019-2020 ExpertsMind IT Educational Pvt Ltd