What is the total charge stored on the capacitor

Assignment Help Physics
Reference no: EM13993141

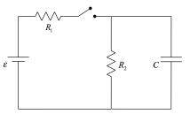
In the circuit below, µ = 1.20 kV, C = 6.50 µF, and R1 = R2 = 2.80 Ω. With C completely uncharged, the switch is closed at t = 0.

1653_Circuit Network.png

(a) At t = 0, what is the current through each resistor?

(b) At t = 3, what is the current through each resistor?

(c) What is the total charge stored on the capacitor as t = 3?

Reference no: EM13993141

Questions Cloud

Sexuality in diverse society controversial issues paper : Sexuality in diverse society Controversial Issues Paper- Extra marital sex is not damaging to a marriage; The internet is a good place to find a romantic partner; A child-free marriage is an option more couples should choose; Not allowing homosexua..
Compute the conditional probability : Given that each of those two balls is red, compute the conditional probability that 5 red blls were placed in the bowl at random.
What could the speaker do to improve their speech delivery : Part B: Name one field other than pure mathematics that uses quadratic equations, and give an example of how they are used (just an explanation, not a problem worked).
Find the expected level of the profit : The profit of a certain outdoor activity depends upon the number of hours of sun­ shine through the formula profit = 1000(1 - e-x110). Find the expected level of the profit.
What is the total charge stored on the capacitor : At t = 0, what is the current through each resistor? At t = 3, what is the current through each resistor? What is the total charge stored on the capacitor as t = 3?
Find the total power supplied by the source : In the figure, these three resistors are connected to a voltage source so that R2 = 4.25Ω and R3 = 11Ω are in parallel with one another and that combination is in series with R1 = 2Ω. Calculate the power being dissipated by the third resistor P3, i..
Nurses preparation programme : Identify at least one nurses preparation programme (at a senior institution) you are considering pursuing and why you have chosen this particular programme and institution
Should pe have as its most important goal fitness : What has the media done to advance or hinder the meaning of fitness education in America? Give examples.
Find pnet the net power radiated by the person : Assume that the person is wearing only a skimpy bathing suit of negligible area. As a rough approximation, the area of a human body may be considered to be that of the sides of a cylinder of length L=2.0m and circumference C=0.8m.If the surface te..

Reviews

Write a Review

Physics Questions & Answers

  Find the magnitude of the resulting magnetic field

A sphere of radius R is uniformly charged to a total charge of Q. It is made to spin about an axis that passes through its center with an angular speed ω. Find the magnitude of the resulting magnetic field at the center of the sphere.

  Find the equivalent resistance

A resistor is in the shape of a cube, with each side of resistance  R . Find the equivalent resistance between any two of its adjacent corners.

  What is the electric field at the location

Question: Field and force with three charges? What is the electric field at the location of Q1, due to  Q 2 ?

  What is the maximum displacement of the bridge deck

What is the maximum displacement of the bridge deck?

  What is the magnitude of the current in the wire

What is the magnitude of the current in the wire as a function of time?

  Blackbody

Questions on blackbody, Infra-Red Detectors & Optic Lens and Digital Image.

  Gravity conveyor

Illustrate the cause of the components accelerating from rest down the conveyor.

  Calculate the dc voltage

Calculate the dc voltage applied to the circuit.

  Quadrupole moments in the shell model

Quadrupole moments in the shell model

  Determine the tension in each string

Determine the tension in each string

  Introductory mechanics: dynamics

Calculate the smallest coefficient of static friction necessary for mass A to remain stationary.

  Evaluate maximum altitude

Evaluate maximum altitude?

Free Assignment Quote

Assured A++ Grade

Get guaranteed satisfaction & time on delivery in every assignment order you paid with us! We ensure premium quality solution document along with free turntin report!

All rights reserved! Copyrights ©2019-2020 ExpertsMind IT Educational Pvt Ltd