Solve the set of linear equation

Assignment Help Electrical Engineering
Reference no: EM131500538

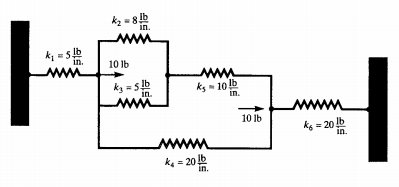
Question: For the spring system shown in the accompanying figure. determine the displacement of each node. Start by identifying the size of the global matrix. Write down elemental stiffness matrices and show the position of each elemental matrix in the global matrix. Apply the boundary conditions and loads. Solve the set of linear equation Also compute the reaction forces.

943_Ks.png

Reference no: EM131500538

Questions Cloud

Differences between the major job evaluation systems : What is job evaluation? Explain the differences between the major job evaluation systems, noting the advantages and disadvantages of each.
Construct the payoff matrix for this advertising game : Construct the payoff matrix for this advertising game. Are Philip Morris and R. J. Reynolds better or worse from the ban?
Premium products is considering a new project : Premium Products is considering a new project that requires an investment of $24 million in machinery. Calculate the base-case NPV (net present value).
The young and the clueless : The final paper is based on the Harvard Business Review article, "The Young and the Clueless." Throughout this course.
Solve the set of linear equation : For the spring system shown in the accompanying figure. determine the displacement of each node. Start by identifying the size of the global matrix.
How did latin christendom expand its power in the holy land : How did Latin Christendom expand its power in the Holy Land, in the Spanish peninsula, and in Eastern Europe?
What is the value of the unlevered firm : What is the value of the unlevered firm? What is the cost of equity for the unlevered firm? What is the WACC of the unlevered firm?
Why each may cause market outcomes to be inefficient : Explain why each may cause market outcomes to be inefficient. How does the change in consumer and producer surplus compare to the tax revenue?
Web sites of the major commodities exchanges : The Web sites of the major commodities exchanges provide futures prices

Reviews

Write a Review

Electrical Engineering Questions & Answers

  Lithium ion battery technology

The paper includes Lithium ion battery technology with its advantages and disadvantages. The paper discusses about the Lithium air battery in which detailed reactions of Lithium with air including nonaqueous as well as aqueous are given.

  Power transformers and tariffs

Construction of different types of power transformer, significant energy savings

  Paper on orthogonal frequency-division multiplexing

This document is shown a paper on Orthogonal frequency-division multiplexing with advantages, disadvantages and uses.

  Function of the hmi in a scada system

This assignment contains electronics engineering questions like State the commonly found components of a SCADA (Supervisory control and data acquisition) system. and decribe the function of the HMI in a SCADA system.

  Resultant waveform of the odd harmonic series

Prepare an Excel graph showing the individual components and summated resultant waveform of the odd harmonic series resulting in an approximate square wave.

  Explain scada system

Explain the function of the HMI in a SCADA system.

  Design a 2-digit 24 second shot-clock

Design a 2-digit 24 second "shot-clock" countdown timer with pushbutton controller.

  Model a discrete-time system

To understand di erent signal models To be able to model a discrete-time system and design simple signal processing algorithms.

  Draw a relay construction diagram

Draw a relay construction diagram and briefly explain the operation of a relay.

  Frequency division multiplexing

Write a short technical report on Frequency Division Multiplexing

  Impact of electron energy

Briefly discuss the impact of electron energy, electron current and target on the Bremsstrahlung generated.

  Traffic light controller

The schematic of the traffic light controller

Free Assignment Quote

Assured A++ Grade

Get guaranteed satisfaction & time on delivery in every assignment order you paid with us! We ensure premium quality solution document along with free turntin report!

All rights reserved! Copyrights ©2019-2020 ExpertsMind IT Educational Pvt Ltd